GM Service Manual Online
For 1990-2009 cars only
Makes
🢒
Saturn
🢒
2005
🢒
L300/LW300
🢒 Fuel Controls - EVAP Controls
Fuel Controls - EVAP Controls
Fuel Controls - EVAP Controls
Master Electrical Component List
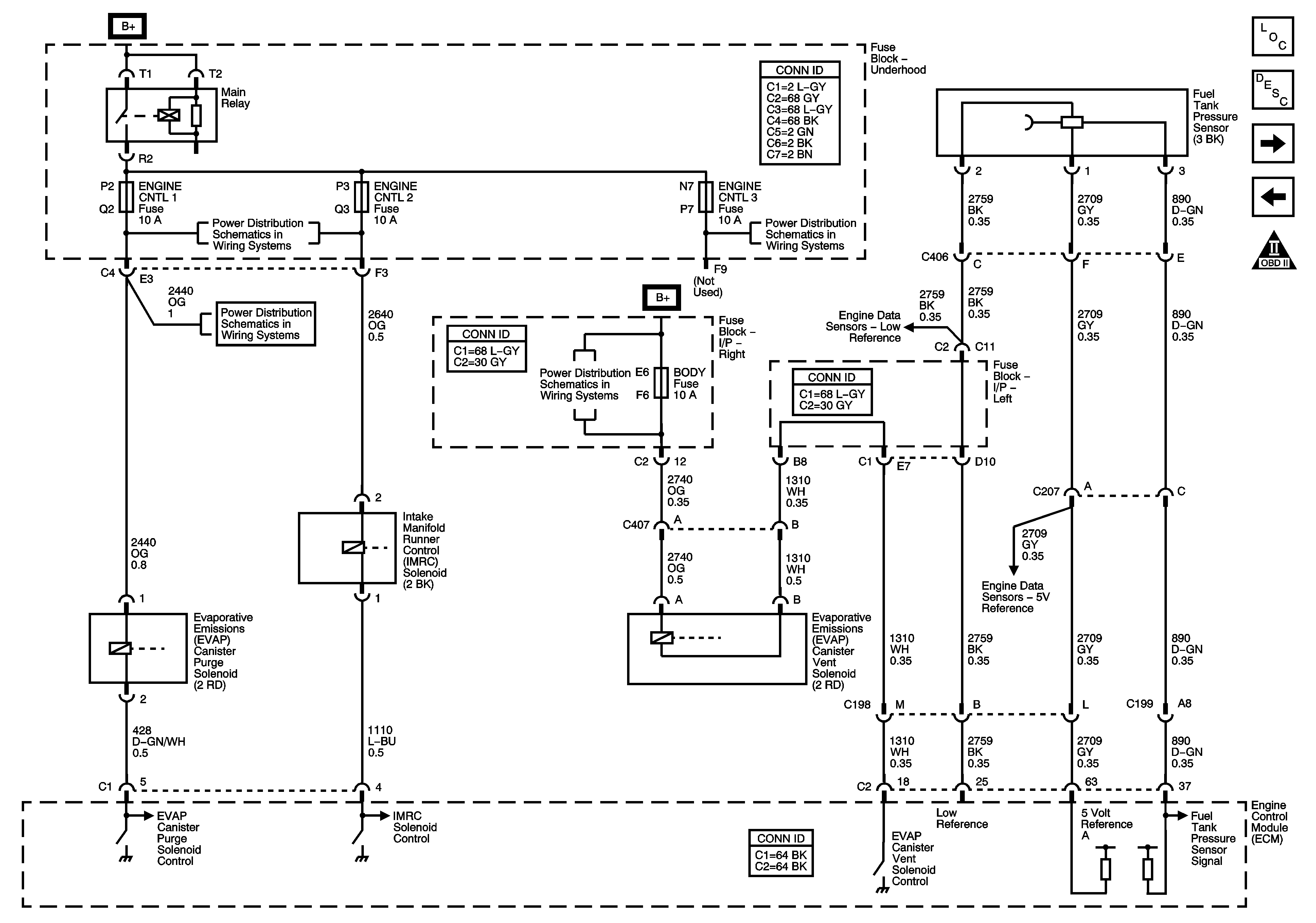
Evaporative Emission Control System Description
Controlled/Monitored Subsystem References
Fuel Controls - Fuel Pump and Fuel Injector Controls
OBD II Symbol Description Notice
AC, ENGINE CNTL 1, ENGINE CNTL 2, and FUEL PUMP Fuses
AC, ENGINE CNTL 1, ENGINE CNTL 2, and FUEL PUMP Fuses
AC, ENGINE CNTL 1, ENGINE CNTL 2, and FUEL PUMP Fuses
BODY, FOG LAMP, IP BATT RT, LOCKS, POWER SEAT, and PREM AUDIO Fuses
Engine Data Sensors - Low References
Engine Data Sensors - 5-Volt References