GM Service Manual Online
For 1990-2009 cars only
Makes
🢒
Saturn
🢒
2007
🢒
OUTLOOK - FWD
🢒
Transmission/Transaxle
🢒
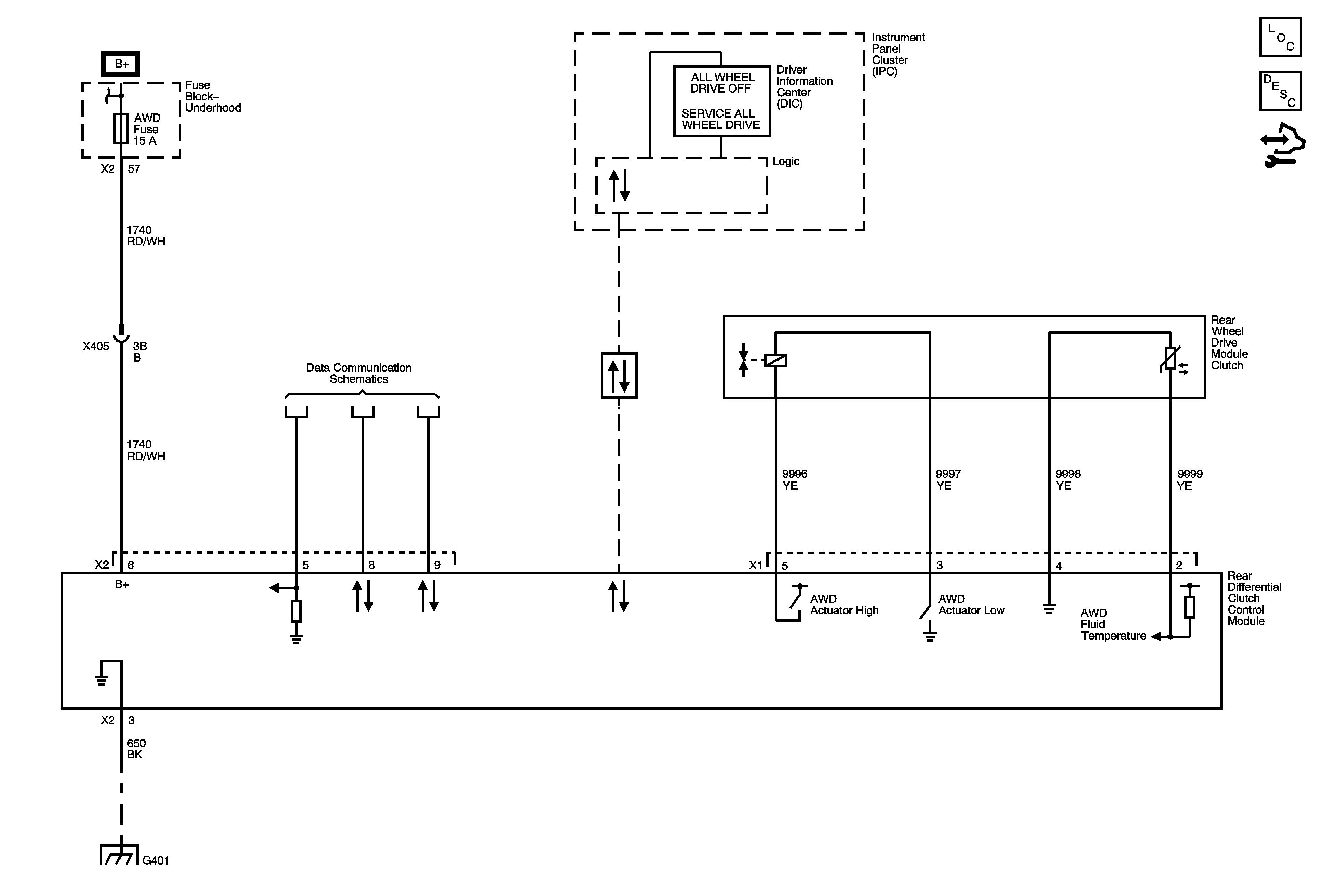
Transfer Case - Getrag 790
🢒 All-Wheel Drive Schematics
MH6
Master Electrical Component List
Rear Drive Axle Description and Operation
Control Module References
B+ Bus 1 of 2
Data Communication Schematics
Data Communication Schematics
G401 1 of 2