GM Service Manual Online
For 1990-2009 cars only
Makes
🢒
Saturn
🢒
2007
🢒
OUTLOOK - FWD
🢒
Power and Signal Distribution
🢒
Data Communications
🢒 Data Communication Schematics
Figure
1:
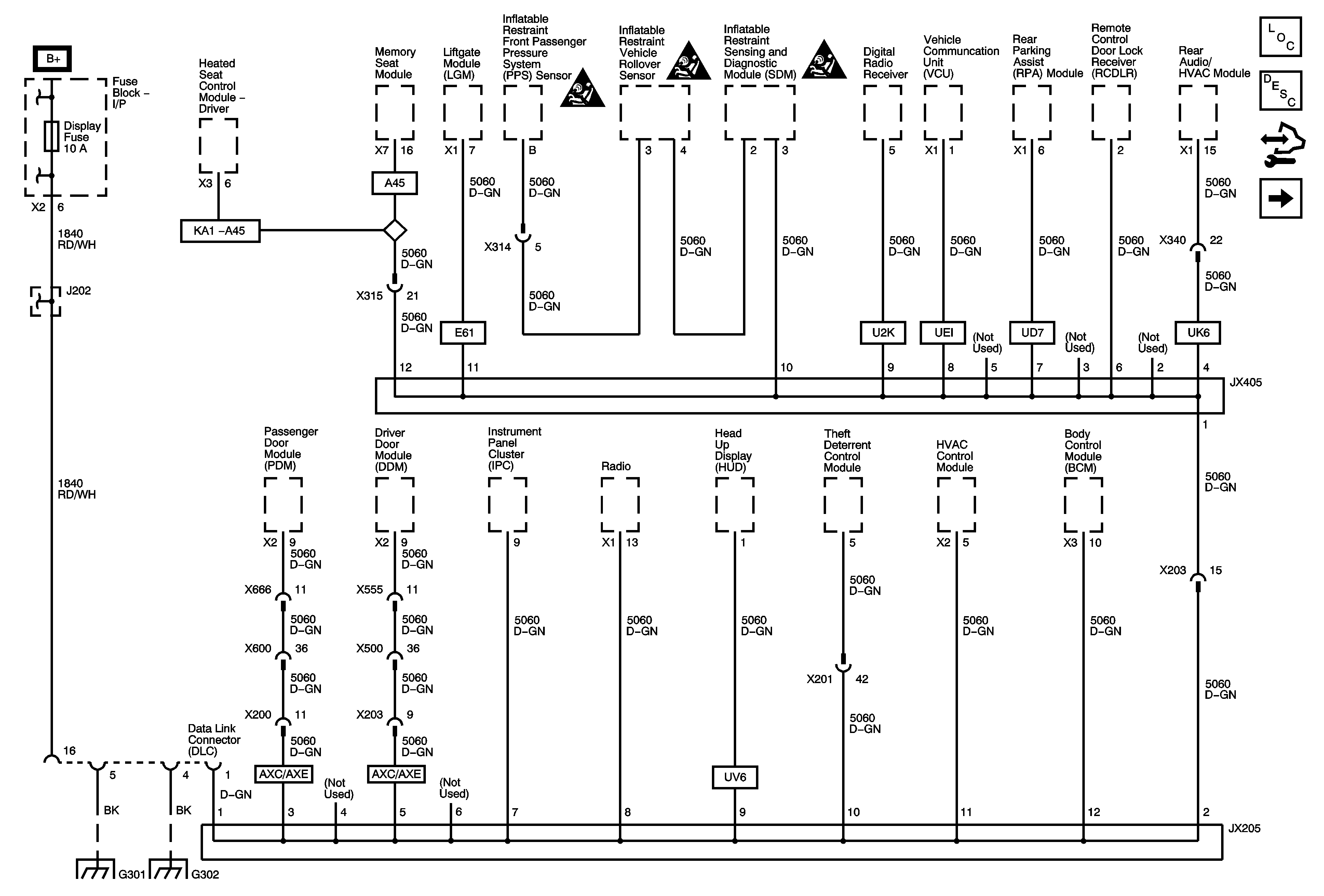
Low Speed GMLAN
Master Electrical Component List
Data Link Communications Description and Operation
Control Module References
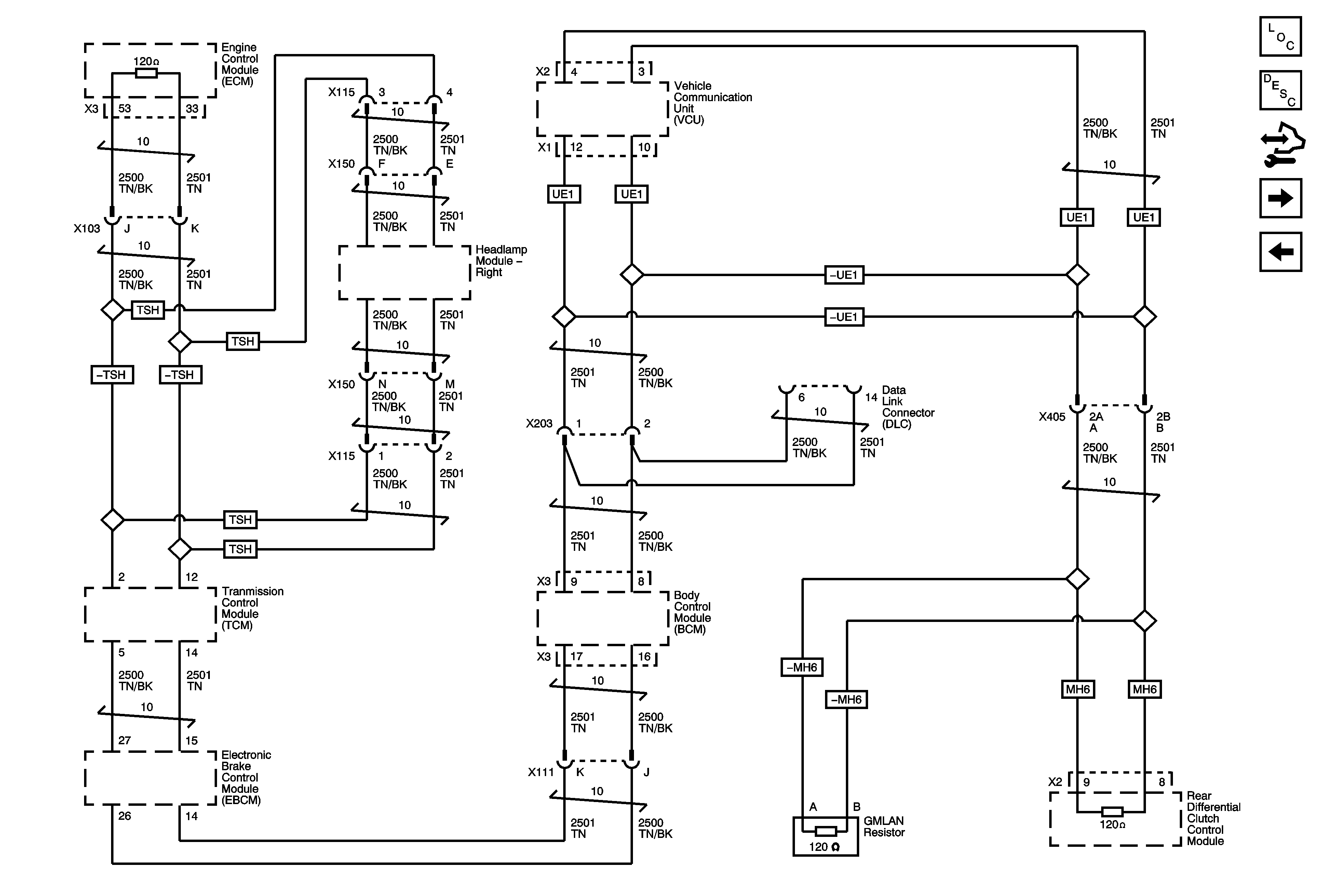
High Speed GMLAN
AIRBAG, AMP, BATT 1, BCM, CNSTR/VENT, CSTY, DISPLAY, INADV/PWR/LED, INFOTAINMENT, MSM, POWER MOD, and RADIO Fuses
G301 2 of 2
G302 1 of 3
Data Communication Schematic Icons
Figure
2:
High Speed GMLAN
Master Electrical Component List
Data Link Communications Description and Operation
Control Module References
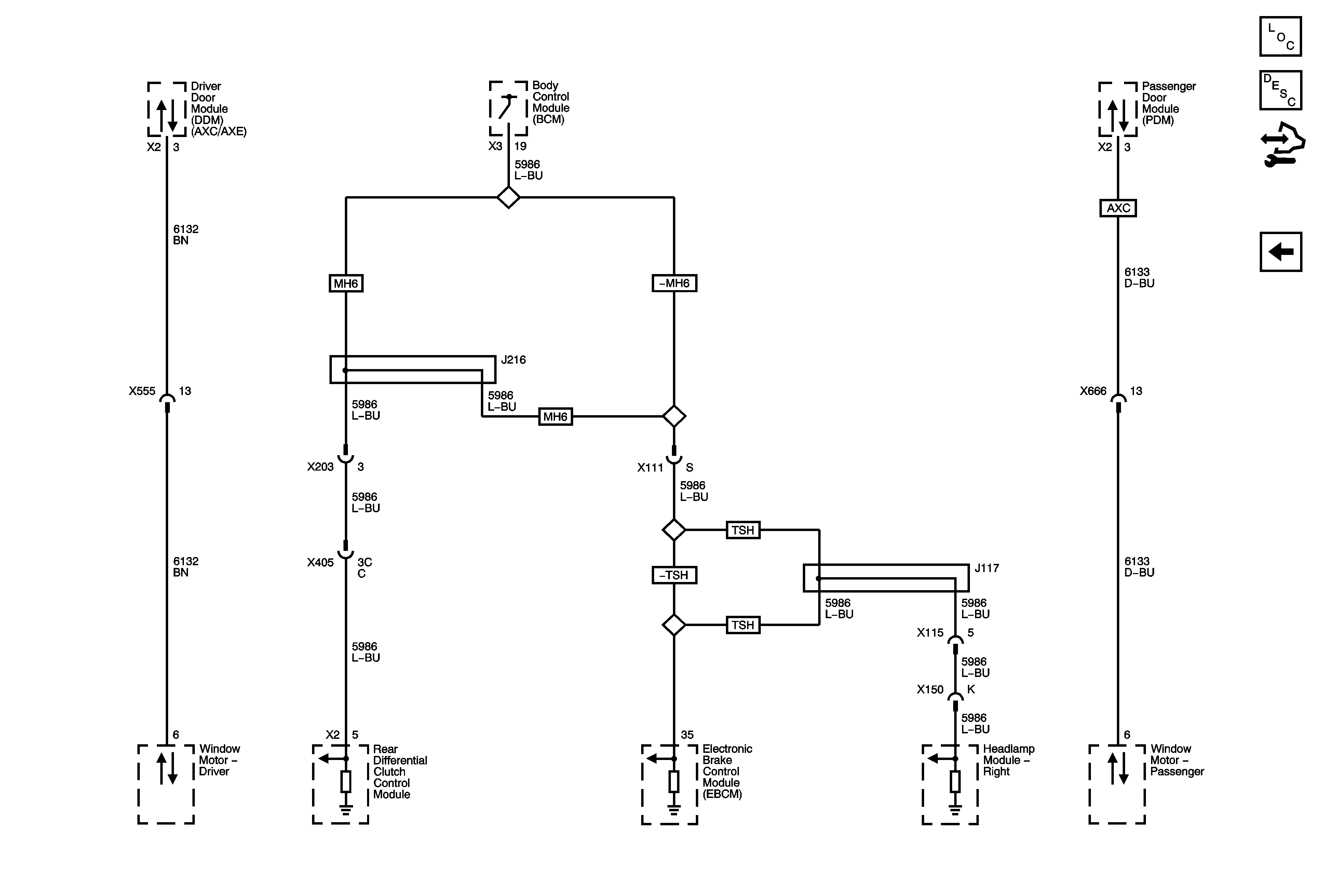
Communication Enable
Low Speed GMLAN
Figure
3:
Communication Enable
Master Electrical Component List
Data Link Communications Description and Operation
Control Module References
High Speed GMLAN