GM Service Manual Online
For 1990-2009 cars only
Makes
🢒
Saturn
🢒
2007
🢒
OUTLOOK - FWD
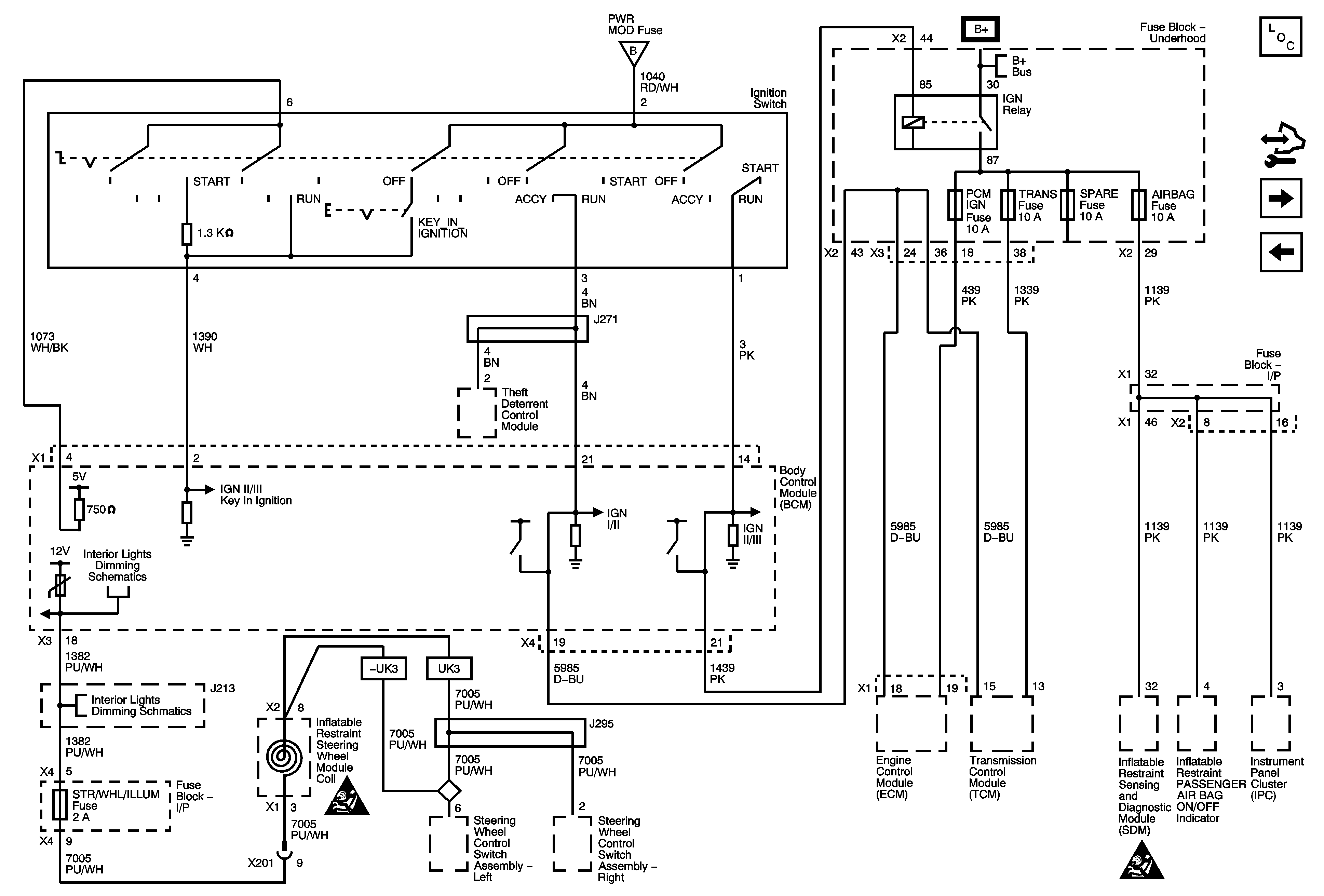
🢒 Ignition Switch and AIRBAG, PCM IGN, RR CAMERA, and TRANS Fuses
Ignition Switch and AIRBAG, PCM IGN, RR CAMERA, and TRANS Fuses
Ignition Switch and AIRBAG, PCM IGN, RR CAMERA, and TRANS Fuses
Master Electrical Component List
Control Module References
ECM 1, EVEN COILS, and ODD COILS Fuses
AFS, AUX PWR, HTD MIR, RR DEFOG, RVC SNSR, TRLR BRK and TRLR PWR Fuses
AIRBAG, AMP, BATT 1, BCM, CNSTR/VENT, CSTY, DISPLAY, INADV/PWR/LED, INFOTAINMENT, MSM, POWER MOD, and RADIO Fuses
B+ Bus 1 of 2
Controls, I/P, and Steering Wheel LEDs
Controls, I/P, and Steering Wheel LEDs
Power and Grounding Schematic Icons
Power and Grounding Schematic Icons