GM Service Manual Online
For 1990-2009 cars only
Makes
🢒
Saturn
🢒
2007
🢒
OUTLOOK - FWD
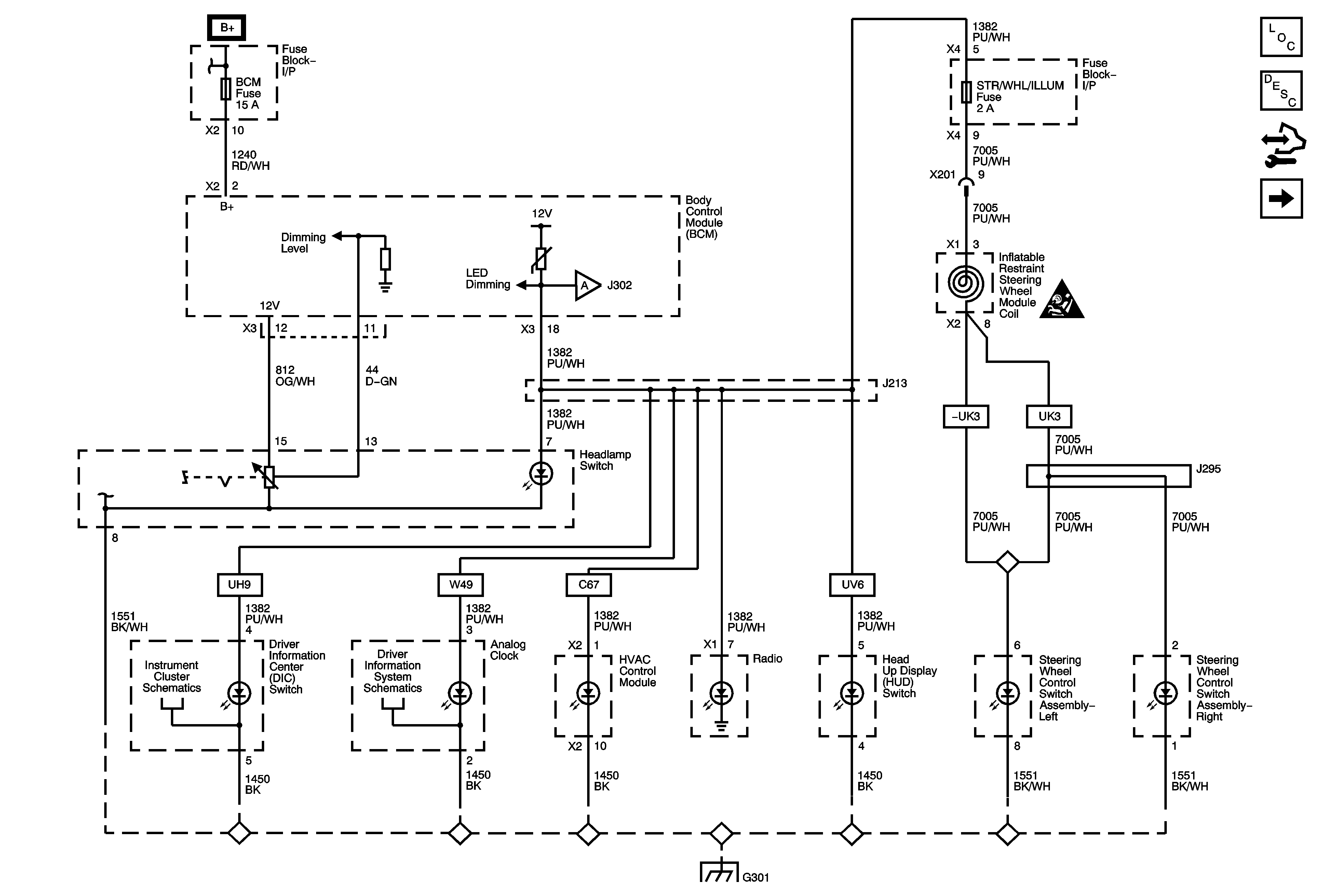
🢒 Controls, I/P, and Steering Wheel LEDs
Controls, I/P, and Steering Wheel LEDs
Controls, I/P, and Steering Wheel LEDs
Master Electrical Component List
Interior Lighting Systems Description and Operation
Control Module References
Console and Driver Door LEDs
AIRBAG, AMP, BATT 1, BCM, CNSTR/VENT, CSTY, DISPLAY, INADV/PWR/LED, INFOTAINMENT, MSM, POWER MOD, and RADIO Fuses
Console and Driver Door LEDs
DIC - UH9
DD7/W49
G301 1 of 2
Lighting Systems Schematic Icons