GM Service Manual Online
For 1990-2009 cars only
Makes
🢒
Saturn
🢒
2007
🢒
OUTLOOK - FWD
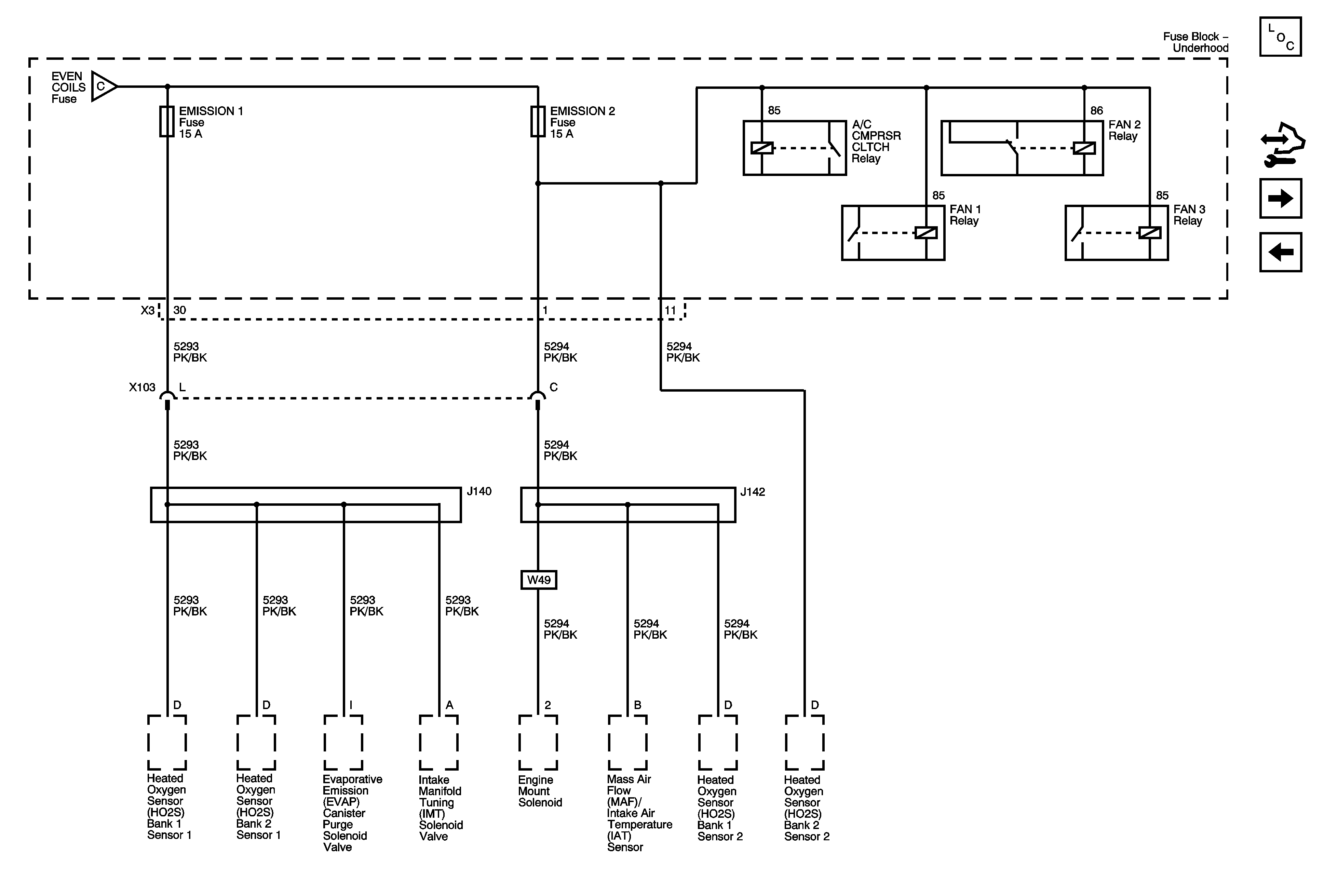
🢒 EMISSION 1 and EMISSION 2 Fuse
EMISSION 1 and EMISSION 2 Fuse
EMISSION 1 and EMISSION 2 Fuses
Master Electrical Component List
Control Module References
DRL, DRL 2, LT LO BEAM, and RT LO BEAM Fuses
ECM 1, EVEN COILS, and ODD COILS Fuses
ECM 1, EVEN COILS, and ODD COILS Fuses