GM Service Manual Online
For 1990-2009 cars only
Makes
🢒
Saturn
🢒
2007
🢒
OUTLOOK - FWD
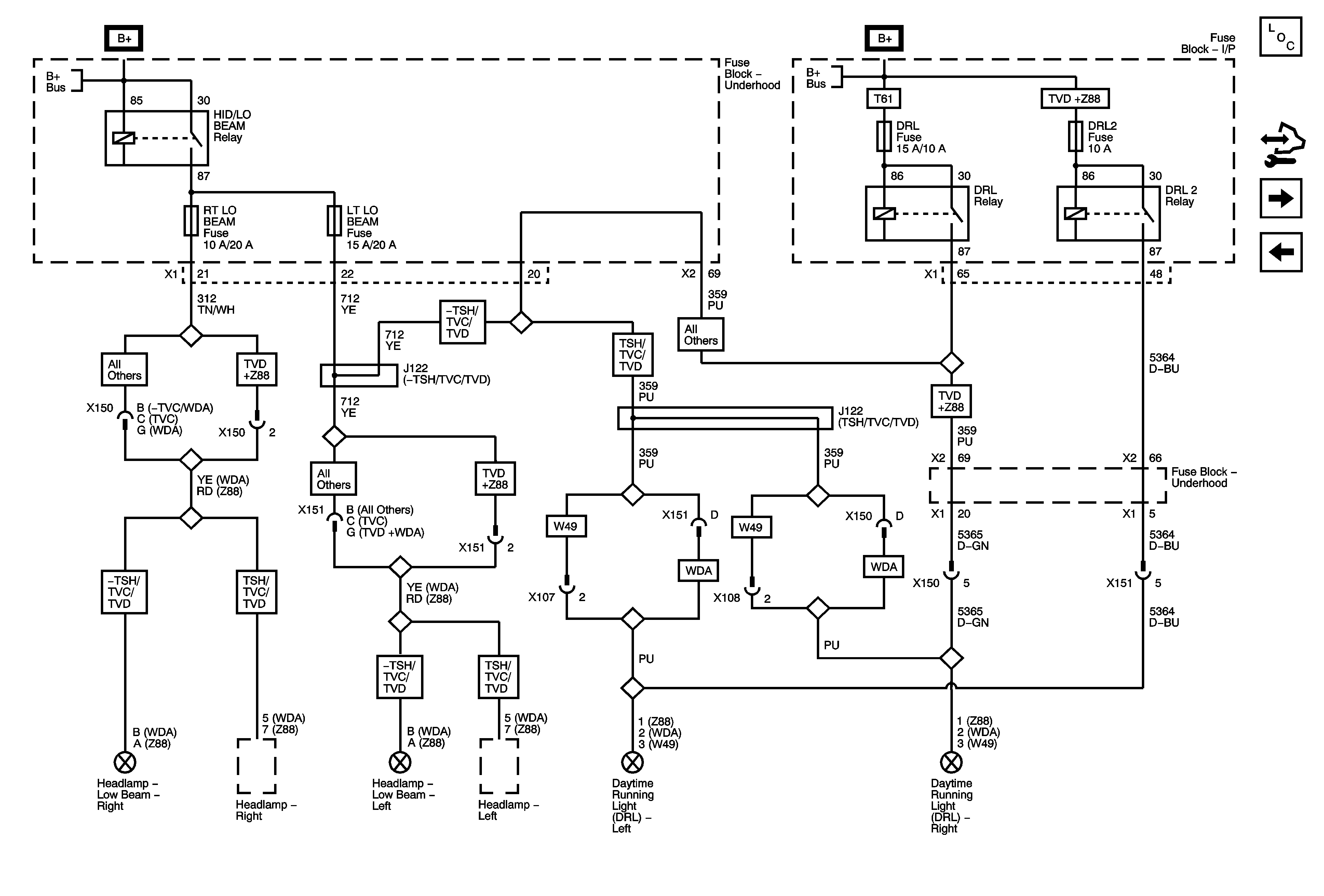
🢒 DRL, DRL 2, LT LO BEAM, and RT LO BEAM Fuses
DRL, DRL 2, LT LO BEAM, and RT LO BEAM Fuses
DRL, DRL 2, LT LO BEAM, and RT LO BEAM Fuses
Master Electrical Component List
Control Module References
LT HI BEAM and RT HI BEAM Fuses
EMISSION 1 and EMISSION 2 Fuse
B+ Bus 1 of 2