GM Service Manual Online
For 1990-2009 cars only
Makes
🢒
Saturn
🢒
2007
🢒
OUTLOOK - FWD
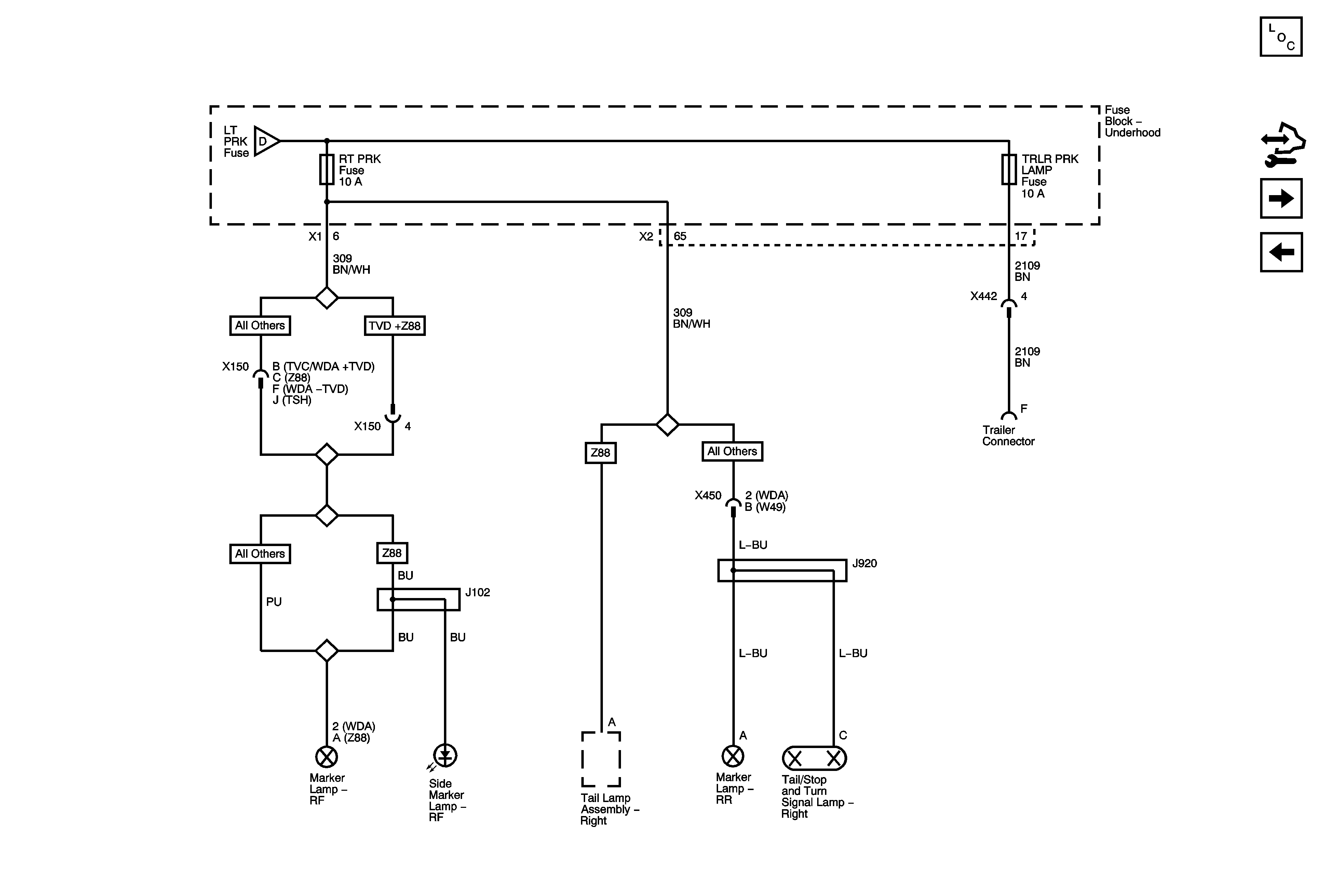
🢒 RT PRK and TRLR PRK LAMP Fuses
RT PRK and TRLR PRK LAMP Fuses
RT PRK and TRLR PRK LAMP Fuses
Master Electrical Component List
Control Module References
LT TRLR STOP/TRN, TRLR BCK/UP, and RT TRLR STOP/TRN Fuses
LT PRK Fuse
LT PRK Fuse