GM Service Manual Online
For 1990-2009 cars only
Makes
🢒
Saturn
🢒
2007
🢒
OUTLOOK - FWD
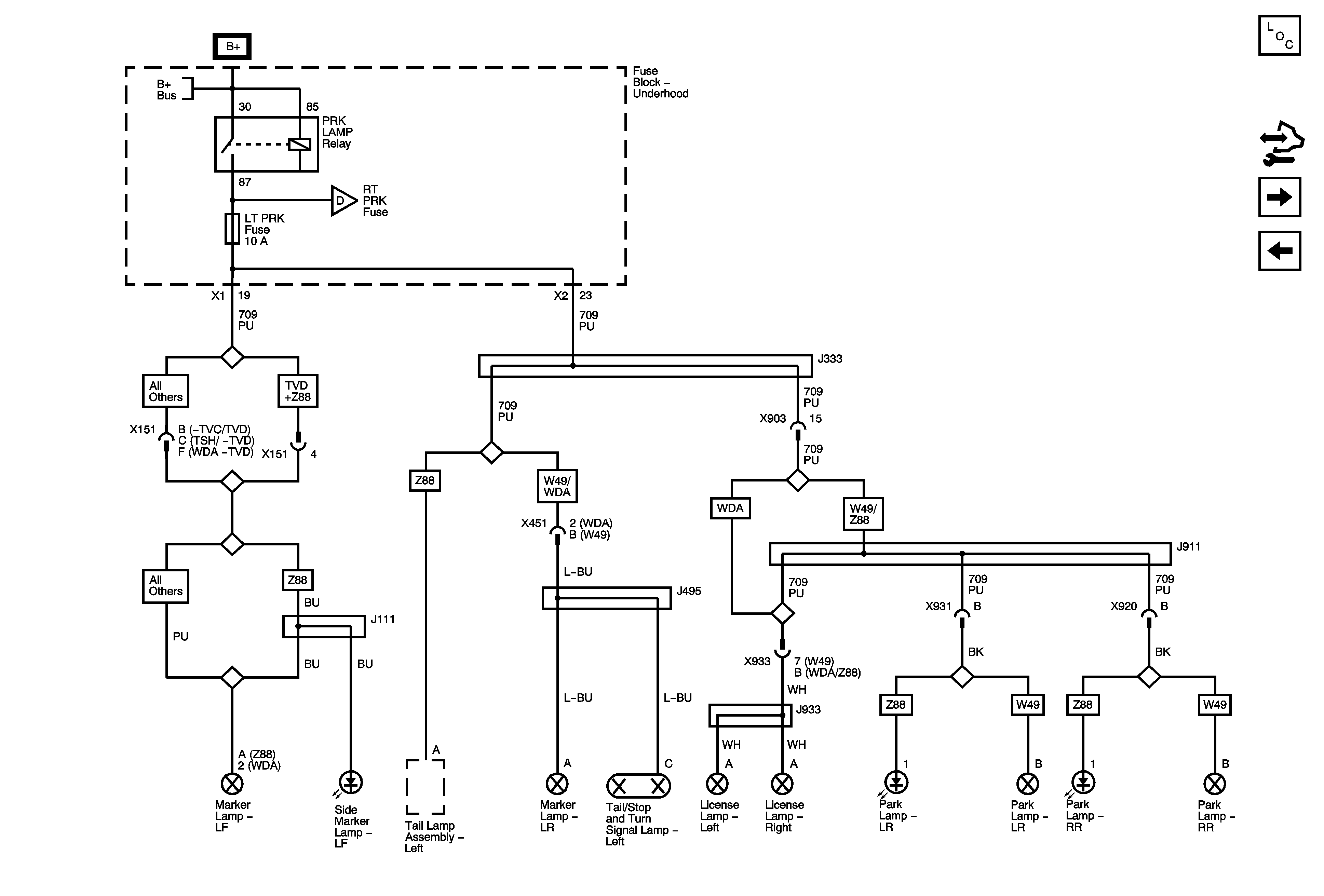
🢒 LT PRK Fuse
LT PRK Fuse
LT PRK Fuse
Master Electrical Component List
Control Module References
RT PRK and TRLR PRK LAMP Fuses
LT HI BEAM and RT HI BEAM Fuses
B+ Bus 2 of 2
RT PRK and TRLR PRK LAMP Fuses