GM Service Manual Online
For 1990-2009 cars only
Makes
🢒
Saturn
🢒
2007
🢒
OUTLOOK - FWD
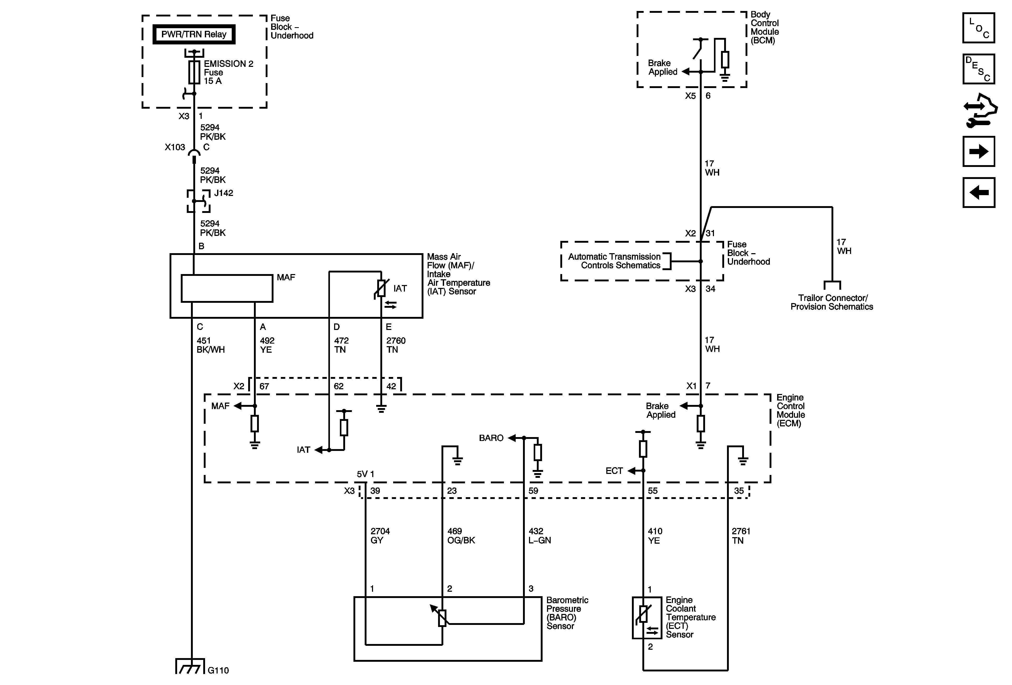
🢒 Engine Data Sensors - Pressure, Temperature, and Extended Brake Travel
Engine Data Sensors - Pressure, Temperature, and Extended Brake Travel
Engine Data Sensors - Pressure, Temperature, and Extended Brake Travel
Master Electrical Component List
Engine Control Module Description
Control Module References
Engine Data Sensors - Oxygen Sensors
5V2 and Low Reference Bus
B+ Bus 2 of 2
Module Power, Ground, Data Communication, MIL and Brake Applied Signal
Blunt Cuts - V92
G105 and G110