GM Service Manual Online
For 1990-2009 cars only
Makes
🢒
Saturn
🢒
2007
🢒
OUTLOOK - FWD
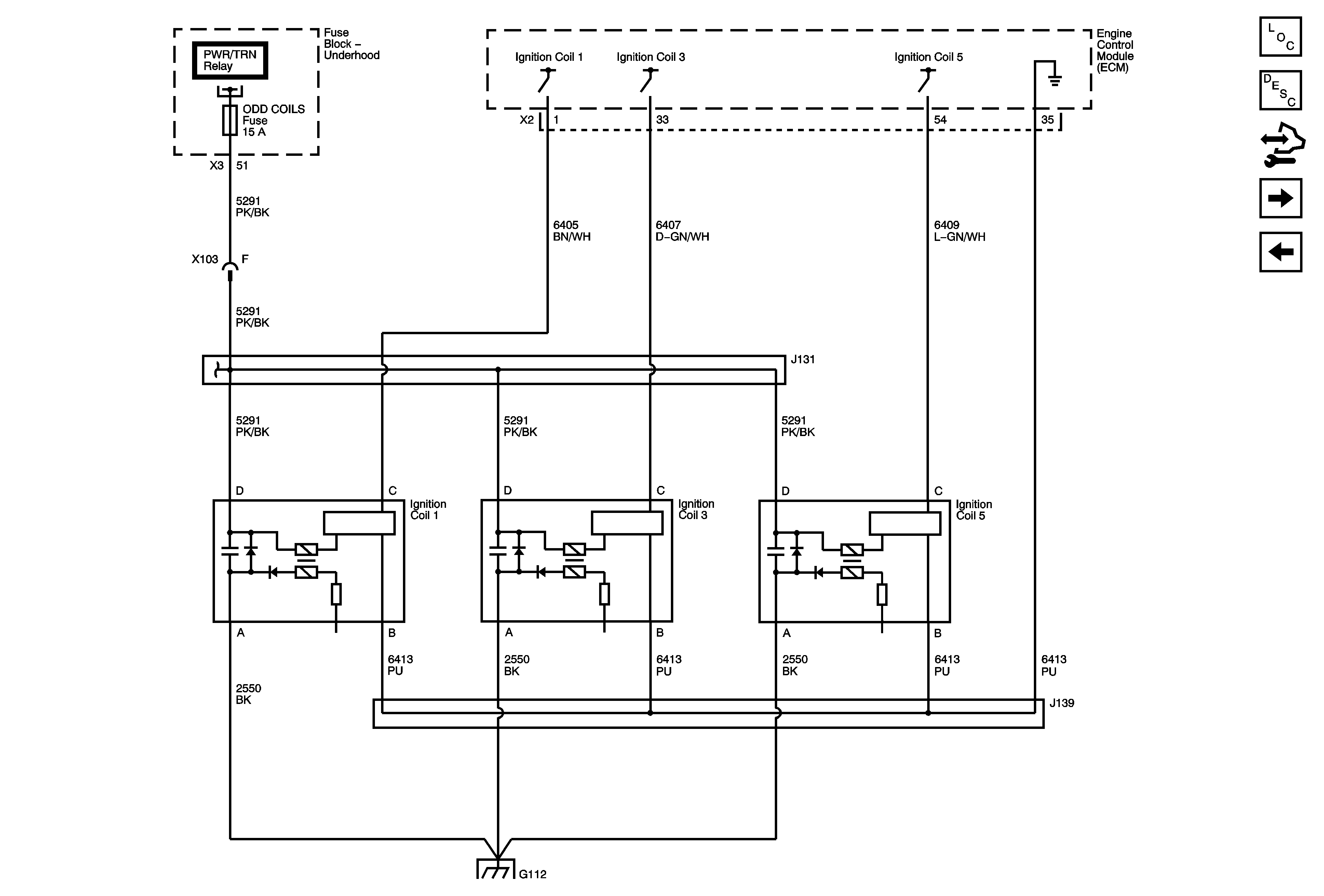
🢒 Ignition Controls - Bank 1 Ignition System
Ignition Controls - Bank 1 Ignition System
Ignition Controls - Bank 1 Ignition System
Master Electrical Component List
Engine Control Module Description
Control Module References
Ignition Controls - Bank 2 Ignition System
Engine Data Sensors - Throttle Actuator Controls
B+ Bus 2 of 2
G112, G114, and G115