GM Service Manual Online
For 1990-2009 cars only
Makes
🢒
Saturn
🢒
2007
🢒
OUTLOOK - FWD
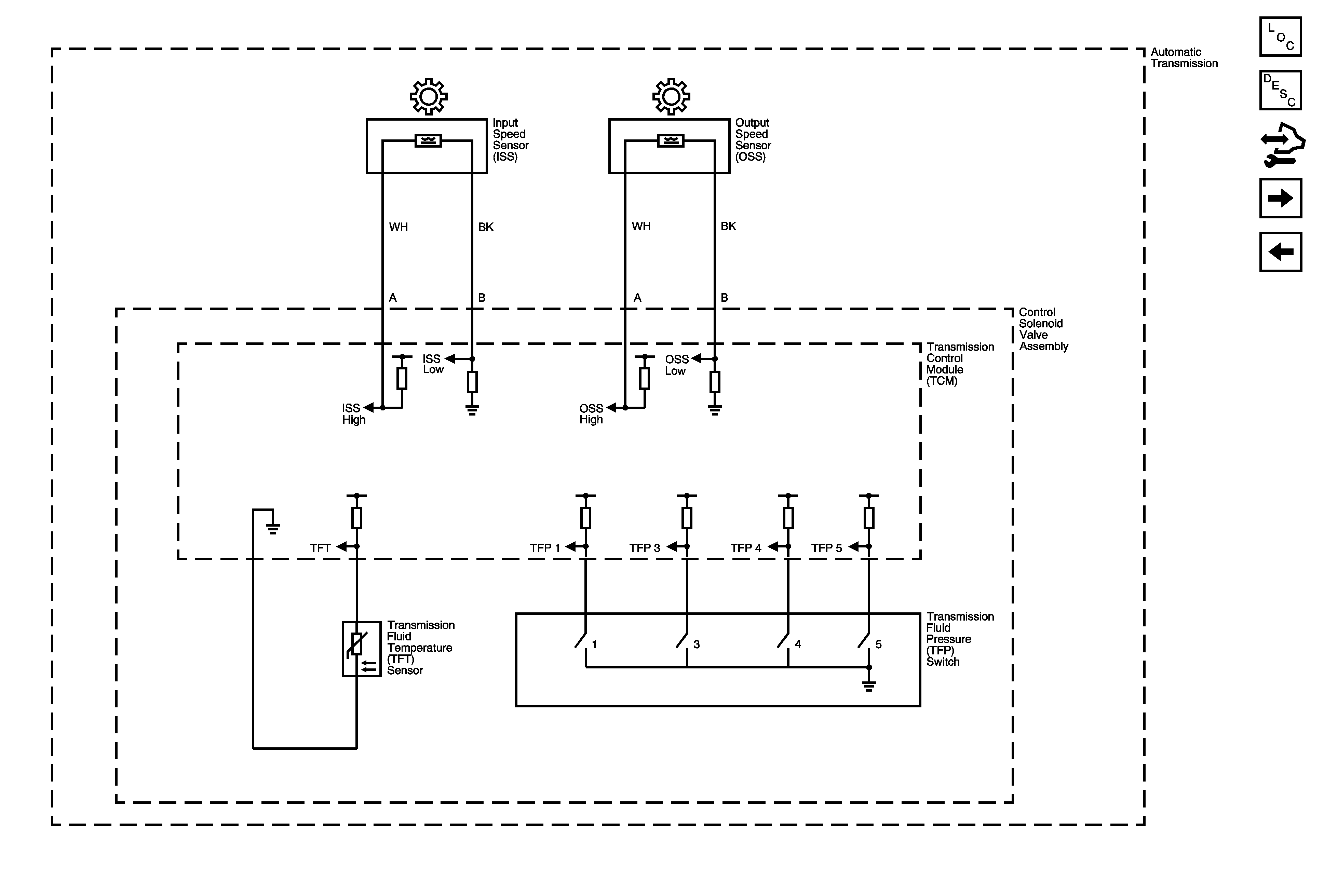
🢒 ISS, OSS, TFP, and TFT
ISS, OSS, TFP, and TFT
ISS, OSS, TFP, and TFT
Master Electrical Component List
Electronic Component Description
Control Module References
IMS and Tap Up/Tap Down
Pressure Controls and Shift Controls