GM Service Manual Online
For 1990-2009 cars only
Makes
🢒
Saturn
🢒
2007
🢒
OUTLOOK - FWD
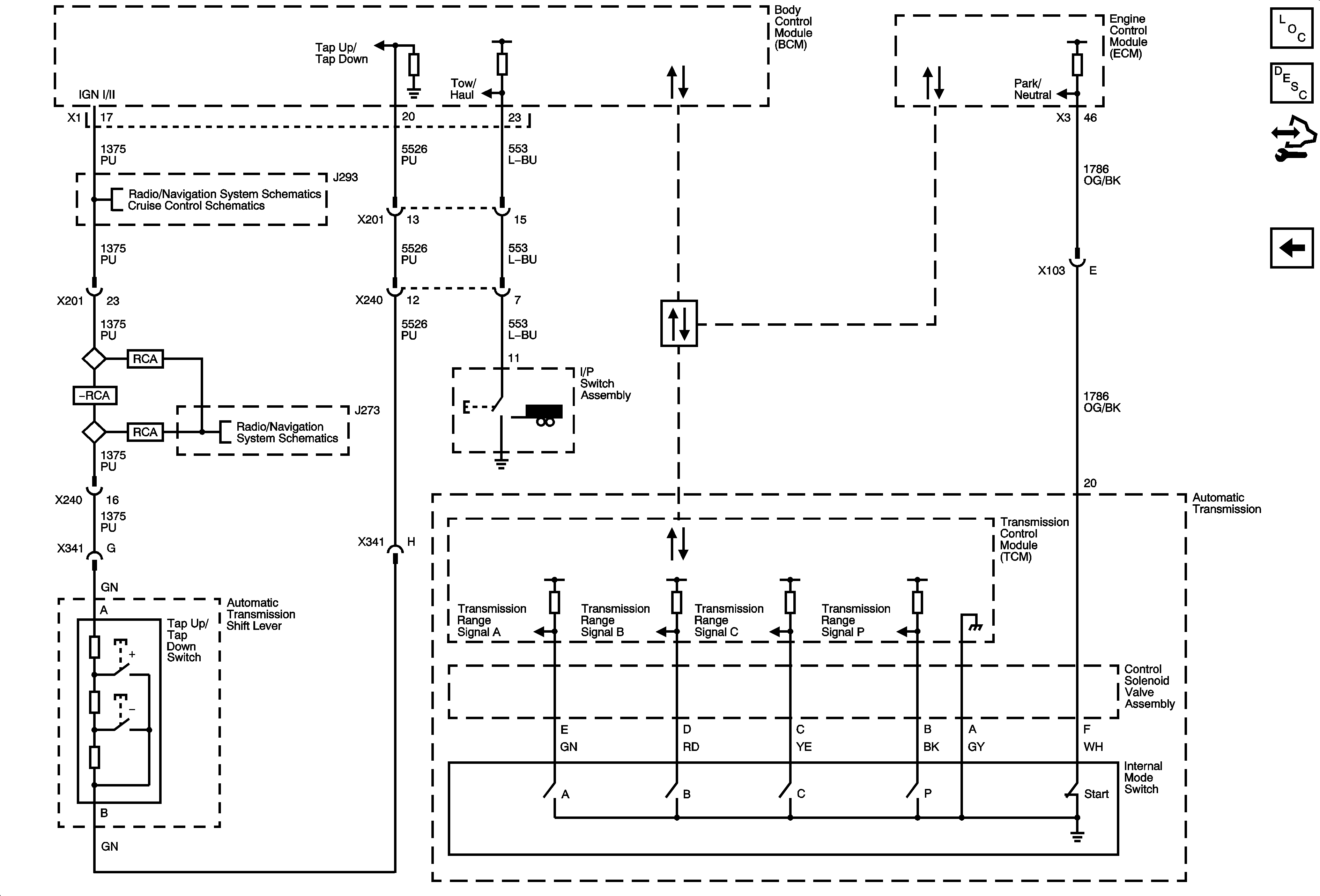
🢒 IMS and Tap Up/Tap Down
IMS and Tap Up/Tap Down
IMS and Tap Up/Tap Down
Master Electrical Component List
Electronic Component Description
Control Module References
ISS, OSS, TFP, and TFT
Secondary Controls
Secondary Controls
Data Communication Schematics