GM Service Manual Online
For 1990-2009 cars only
Makes
🢒
Saturn
🢒
2007
🢒
OUTLOOK - FWD
🢒 NV7
NV7
NV7
Master Electrical Component List
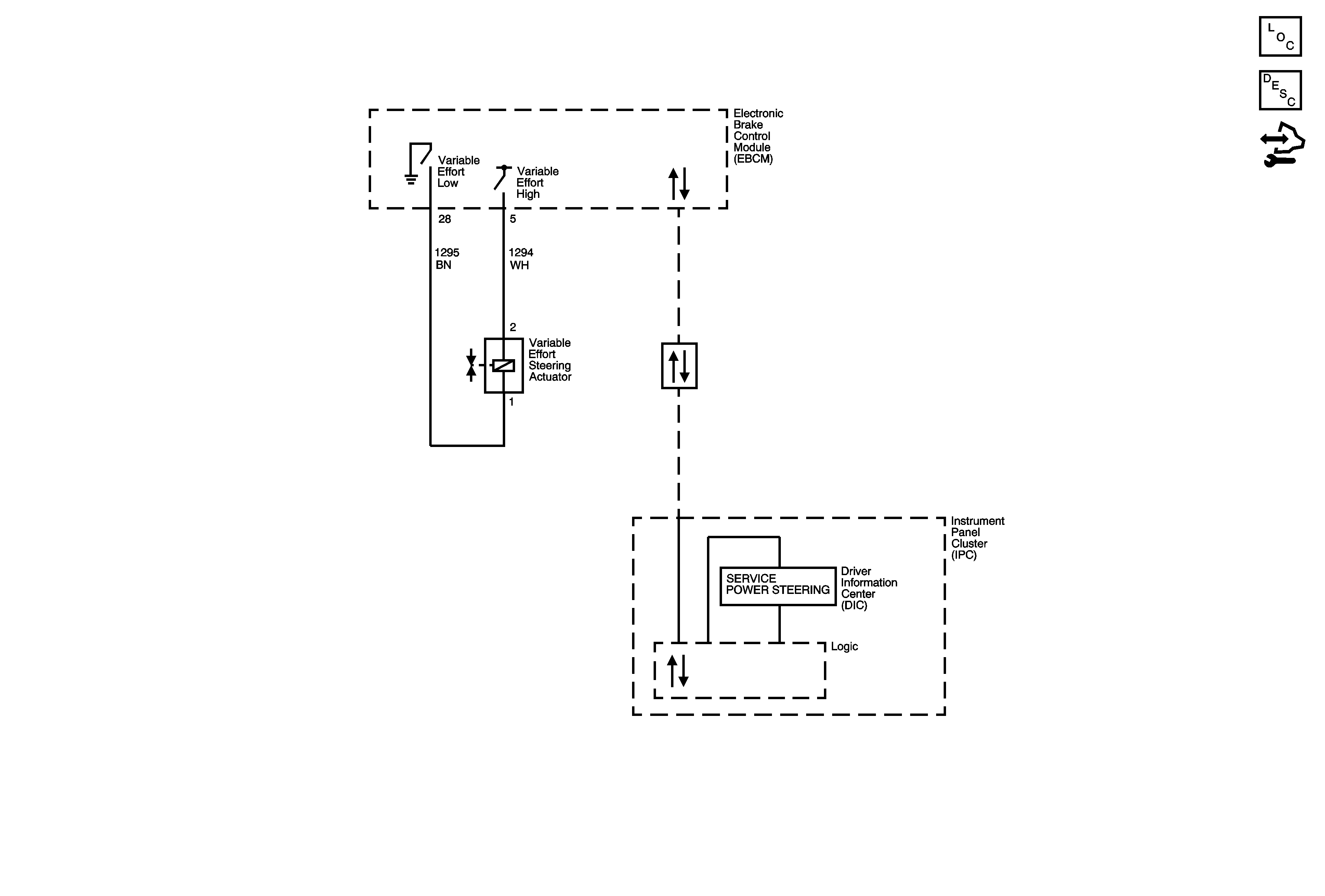
Variable Effort Steering System Description and Operation
Control Module References
Data Communication Schematics