GM Service Manual Online
For 1990-2009 cars only
Makes
🢒
Saturn
🢒
2007
🢒
OUTLOOK - FWD
🢒 Switches
Switches
Switches
Master Electrical Component List
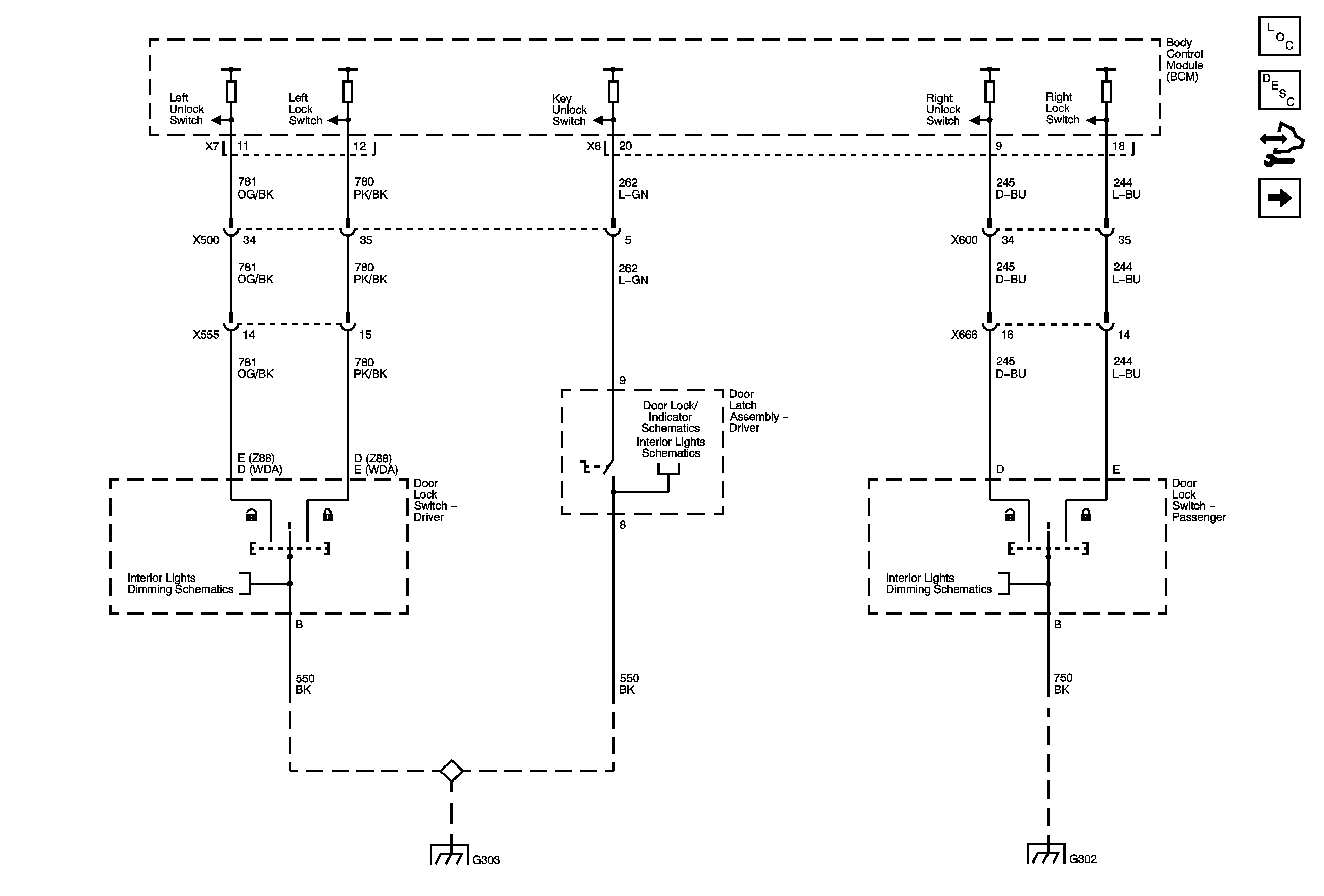
Power Door Locks Description and Operation (AXA)
Control Module References
Actuators
Driver, LR, and RR Door Lamps
Indicators
Door Open Switches
Console, I/P, Passenger Door, and Roof Lamp