GM Service Manual Online
For 1990-2009 cars only
Makes
🢒
Saturn
🢒
2007
🢒
OUTLOOK - FWD
🢒 W49
W49
W49
Master Electrical Component List
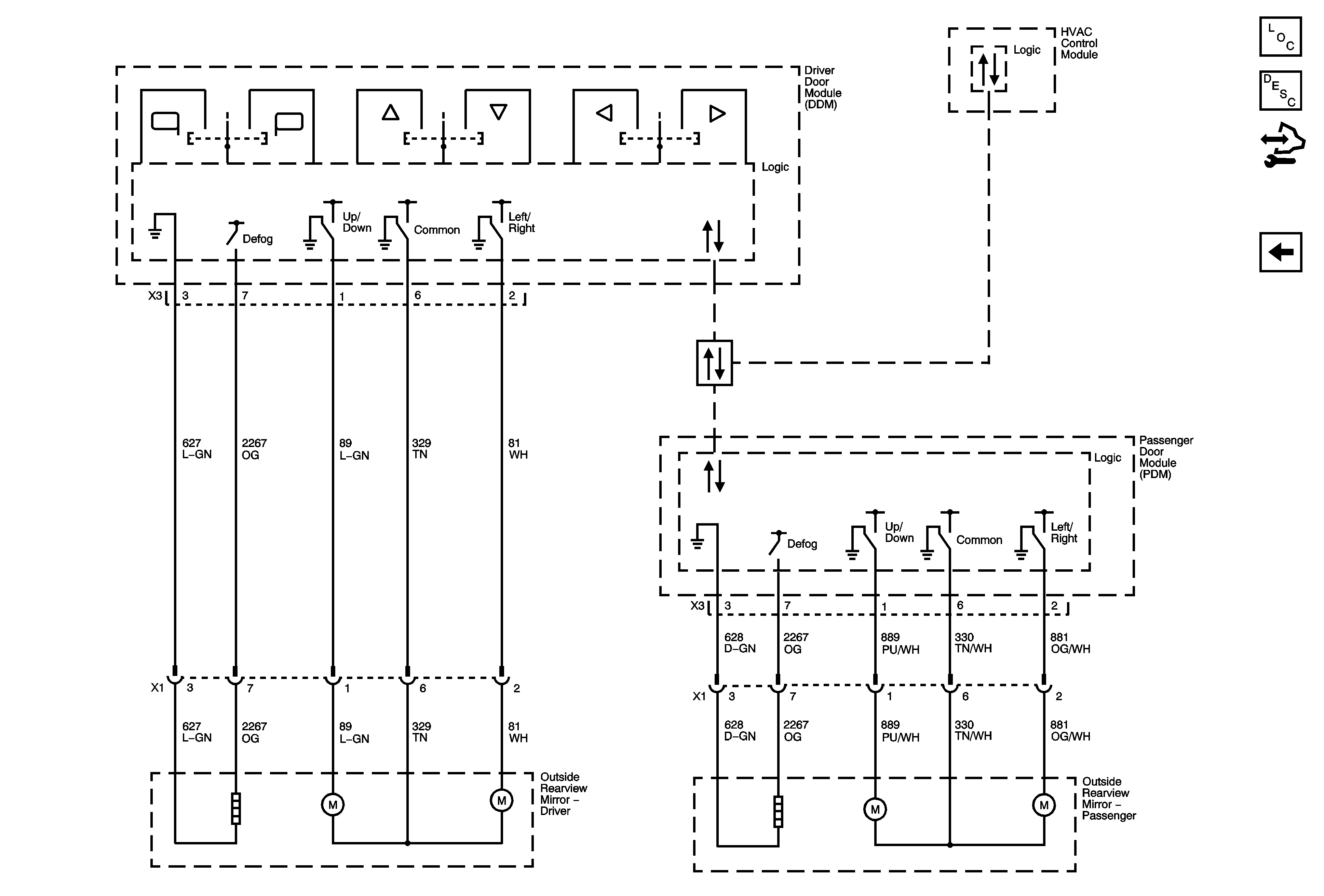
Outside Mirror Description and Operation (Power Mirrors)
Control Module References
Passenger - DNP
Data Communication Schematics