GM Service Manual Online
For 1990-2009 cars only
Makes
🢒
Saturn
🢒
2007
🢒
OUTLOOK - FWD
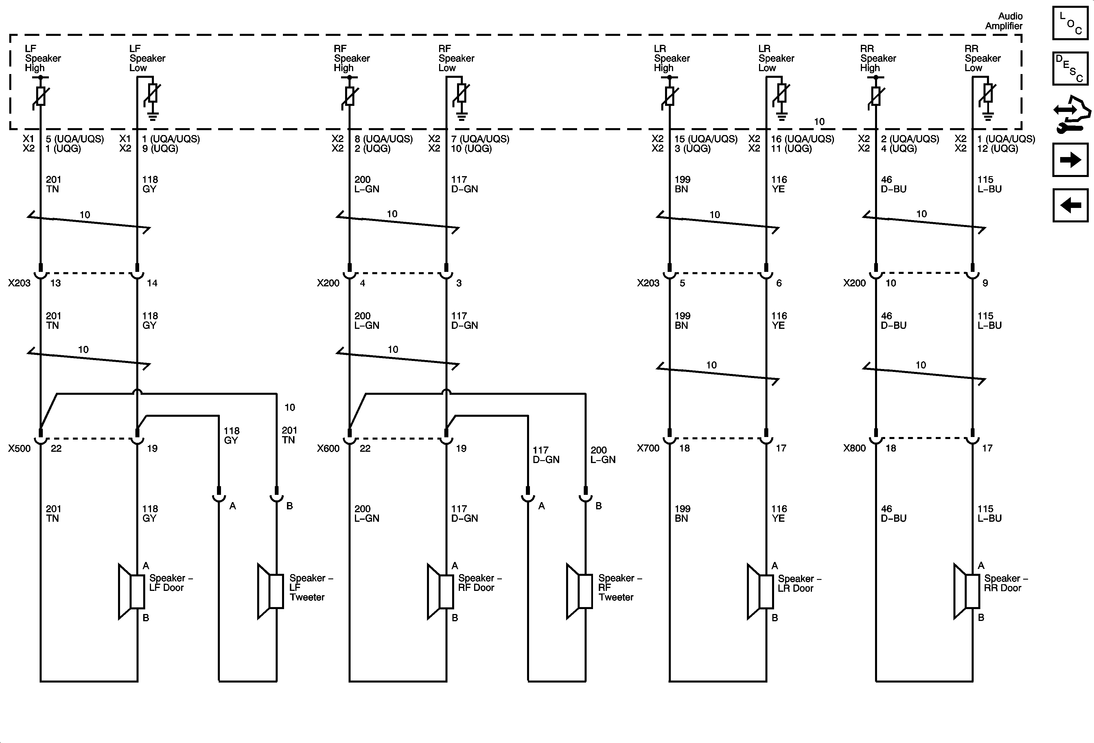
🢒 Door and A-Pillar Speakers - UQA/UQG/UGS
Door and A-Pillar Speakers - UQA/UQG/UGS
Door and A-Pillar Speakers - UQA/UQG/UGS
Master Electrical Component List
Radio/Audio System Description and Operation
Control Module References
Except Door and A-Pillar Speakers - UQA/UQS
Speakers - UQF+UK6