GM Service Manual Online
For 1990-2009 cars only
Makes
🢒
Saturn
🢒
2007
🢒
OUTLOOK - FWD
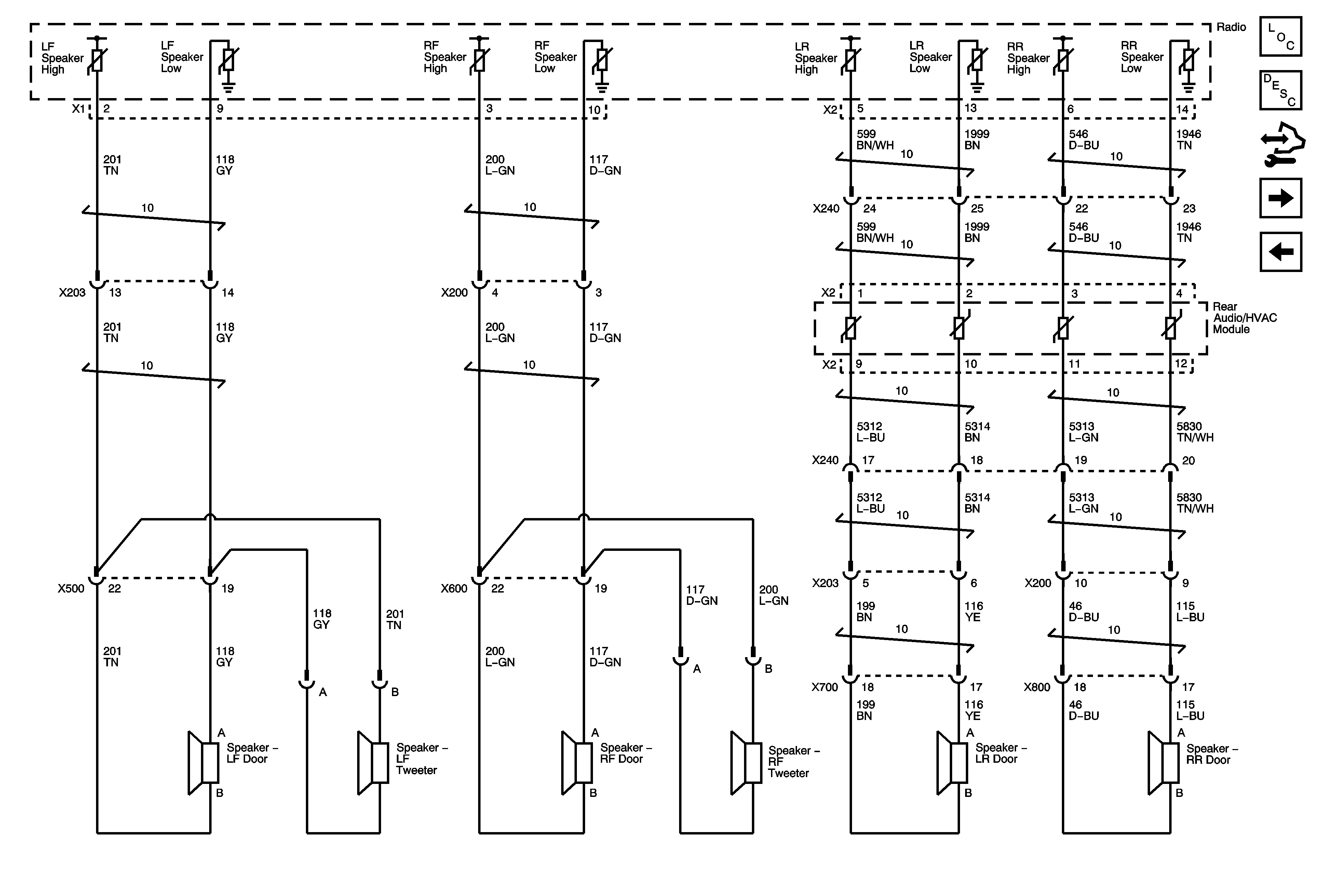
🢒 Speakers - UQF+UK6
Speakers - UQF+UK6
Speakers - UQF+UK6
Master Electrical Component List
Radio/Audio System Description and Operation
Control Module References
Door and A-Pillar Speakers - UQA/UQG/UGS
Speakers - UQF