GM Service Manual Online
For 1990-2009 cars only
Makes
🢒
Saturn
🢒
2007
🢒
OUTLOOK - FWD
🢒 U42
U42
U42
Master Electrical Component List
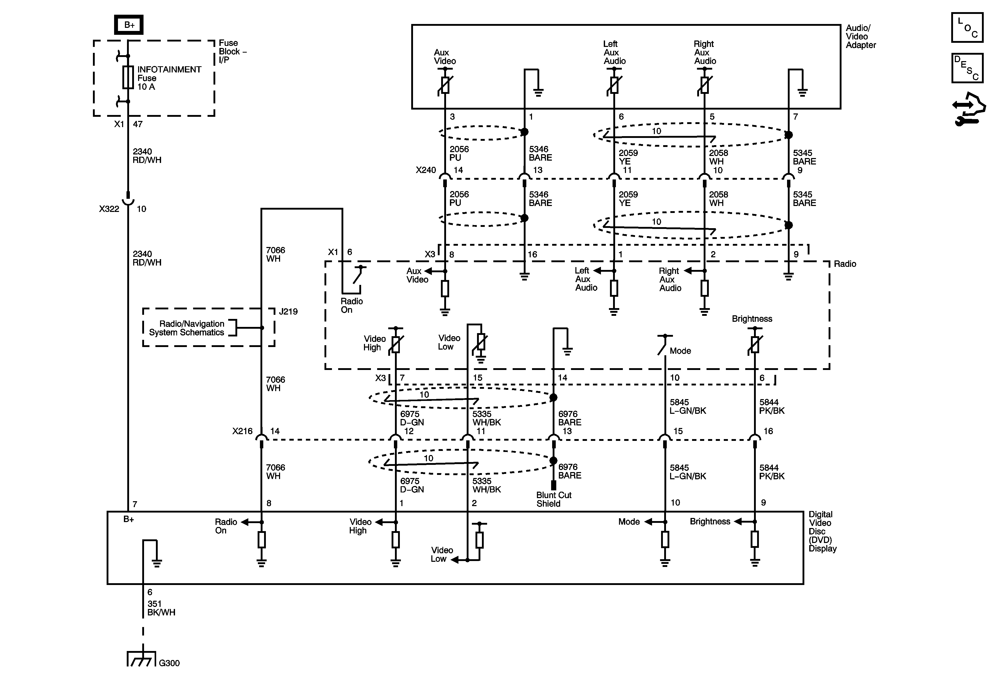
Video Entertainment System Description and Operation
Control Module References
AIRBAG, AMP, BATT 1, BCM, CNSTR/VENT, CSTY, DISPLAY, INADV/PWR/LED, INFOTAINMENT, MSM, POWER MOD, and RADIO Fuses
Radio Antennas, Data Communication, Lighting, Power, and Vehicle Speed Signal
G300