GM Service Manual Online
For 1990-2009 cars only
Makes
🢒
Saturn
🢒
2007
🢒
OUTLOOK - FWD
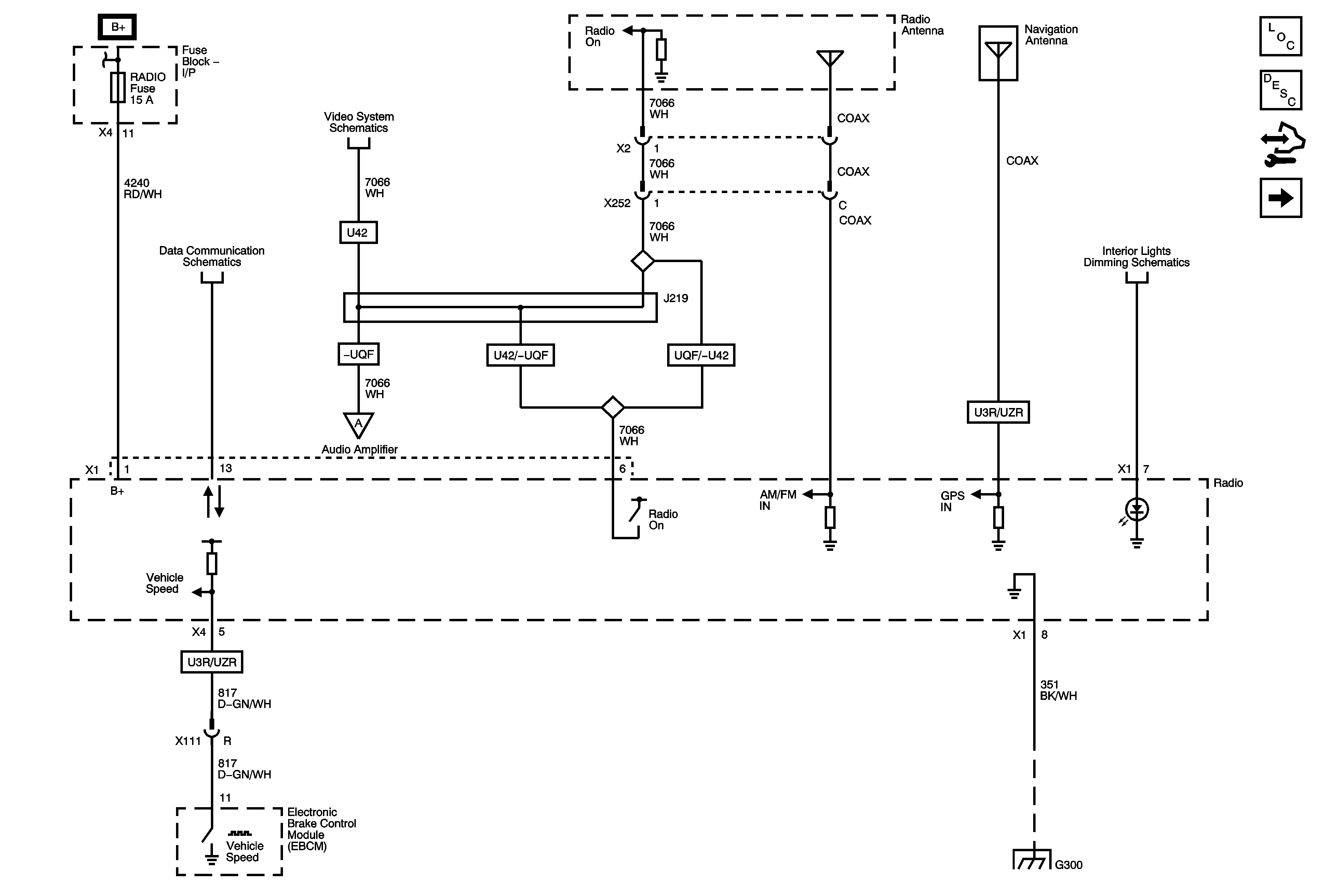
🢒 Radio Antennas, Data Communication, Lighting, Power, and Vehicle Speed Signal
Radio Antennas, Data Communication, Lighting, Power, and Vehicle Speed Signal
Radio Antennas, Data Communication, Lighting, Power, and Vehicle Speed Signal
Master Electrical Component List
Radio/Audio System Description and Operation
Control Module References
Audio Amplifier Power, Ground, and All Audio Inputs - UQG, Front and Rear Audio Inputs - UQA/UQS
AIRBAG, AMP, BATT 1, BCM, CNSTR/VENT, CSTY, DISPLAY, INADV/PWR/LED, INFOTAINMENT, MSM, POWER MOD, and RADIO Fuses
Data Communication Schematics
U42
Controls, I/P, and Steering Wheel LEDs
Audio Amplifier Power, Ground, and All Audio Inputs - UQG, Front and Rear Audio Inputs - UQA/UQS
G300