GM Service Manual Online
For 1990-2009 cars only
Makes
🢒
Saturn
🢒
2007
🢒
OUTLOOK - FWD
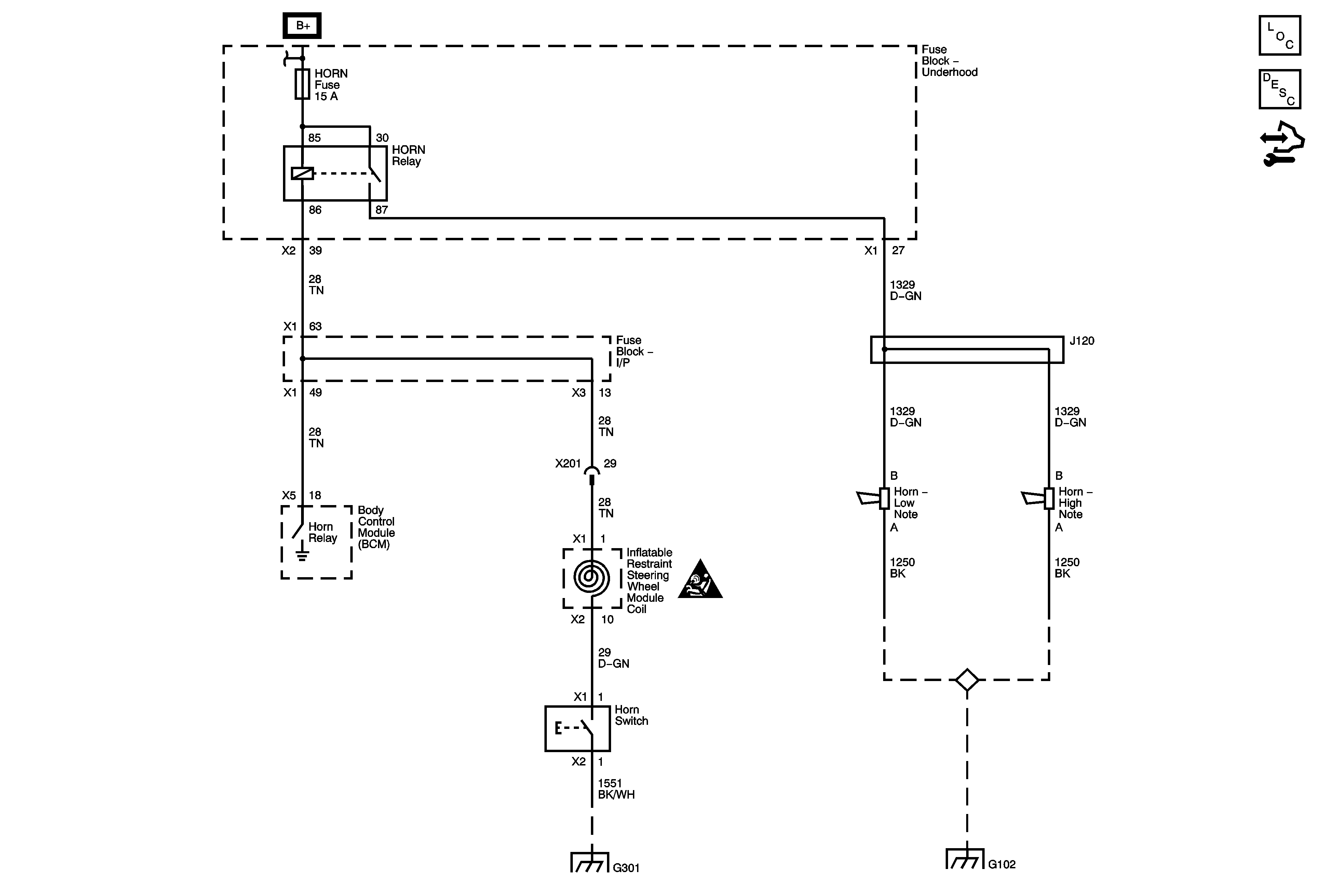
🢒 Horns
Horns
Master Electrical Component List
Horns System Description and Operation
Control Module References
B+ Bus 1 of 2
G301 1 of 2
Ground Distribution Schematics
Horn Schematic Icons