GM Service Manual Online
For 1990-2009 cars only
Makes
🢒
Saturn
🢒
2008
🢒
OUTLOOK - FWD
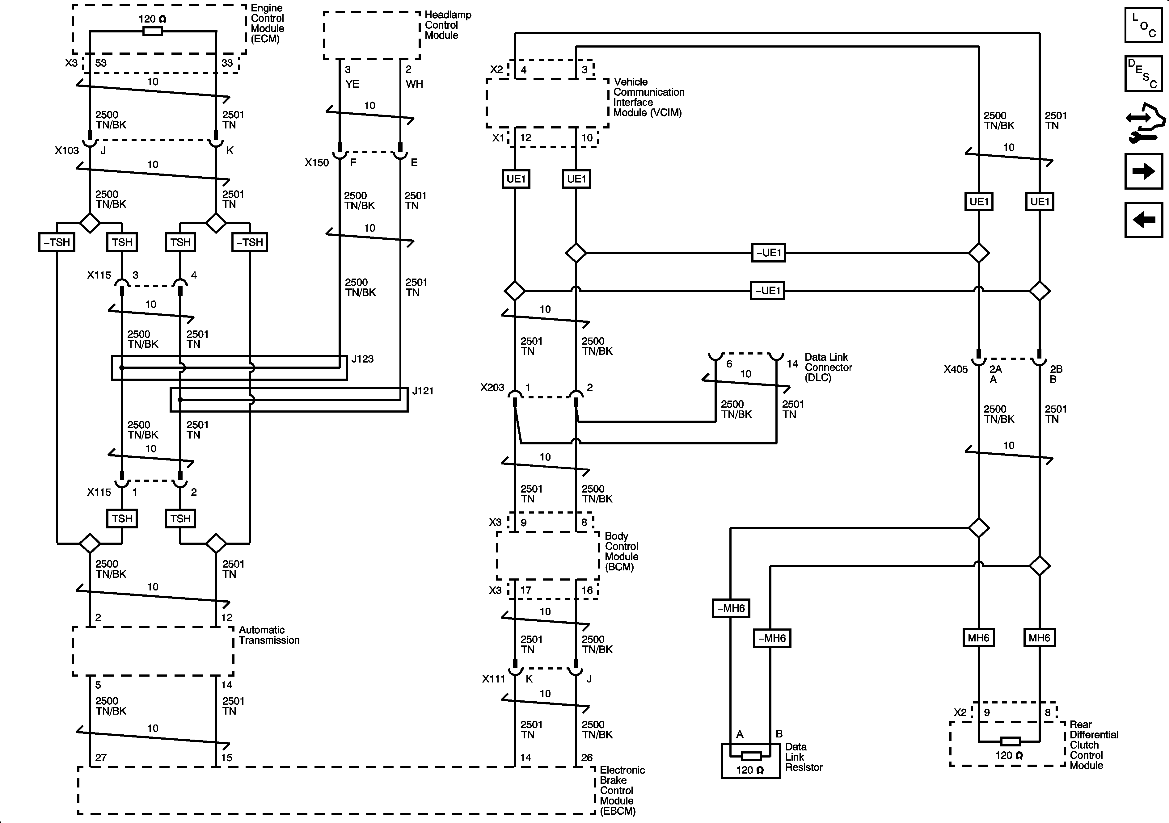
🢒 High Speed GMLAN - WDA or Z88 or W49 Late Production
High Speed GMLAN - WDA or Z88 or W49 Late Production
High Speed GMLAN - WDA or Z88 or W49 Late Production
Master Electrical Component List
Data Link Communications Description and Operation
Control Module References
Communication Enable and Local Interconnect Network (LIN)
High Speed GMLAN - W49 Early Production