GM Service Manual Online
For 1990-2009 cars only
Makes
🢒
Saturn
🢒
2005
🢒
RELAY Ext.
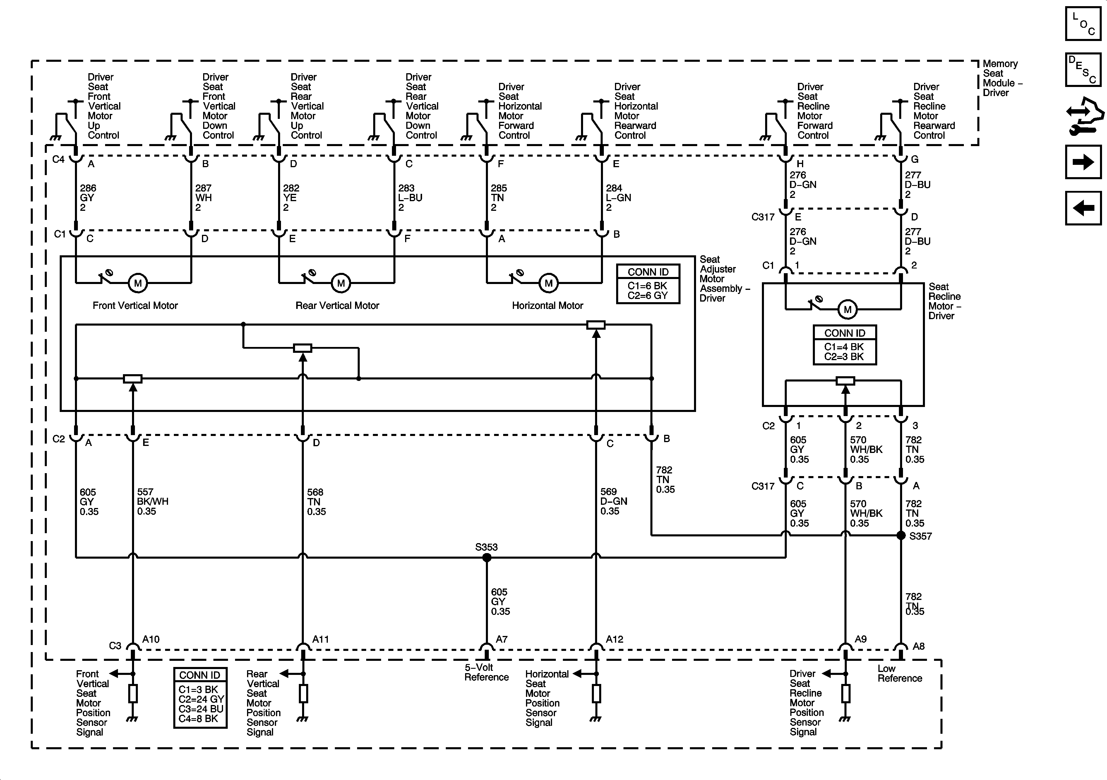
🢒 Memory Seat Motors and Sensors
Memory Seat Motors and Sensors
Memory Seat Motors and Sensors
Master Electrical Component List
Memory Seats Description and Operation
Control Module References
Heated Seat
Memory Seat Controls