GM Service Manual Online
For 1990-2009 cars only
Makes
🢒
Saturn
🢒
2005
🢒
RELAY Ext.
🢒 Heated Seat
Heated Seat
Heated Seat
Master Electrical Component List
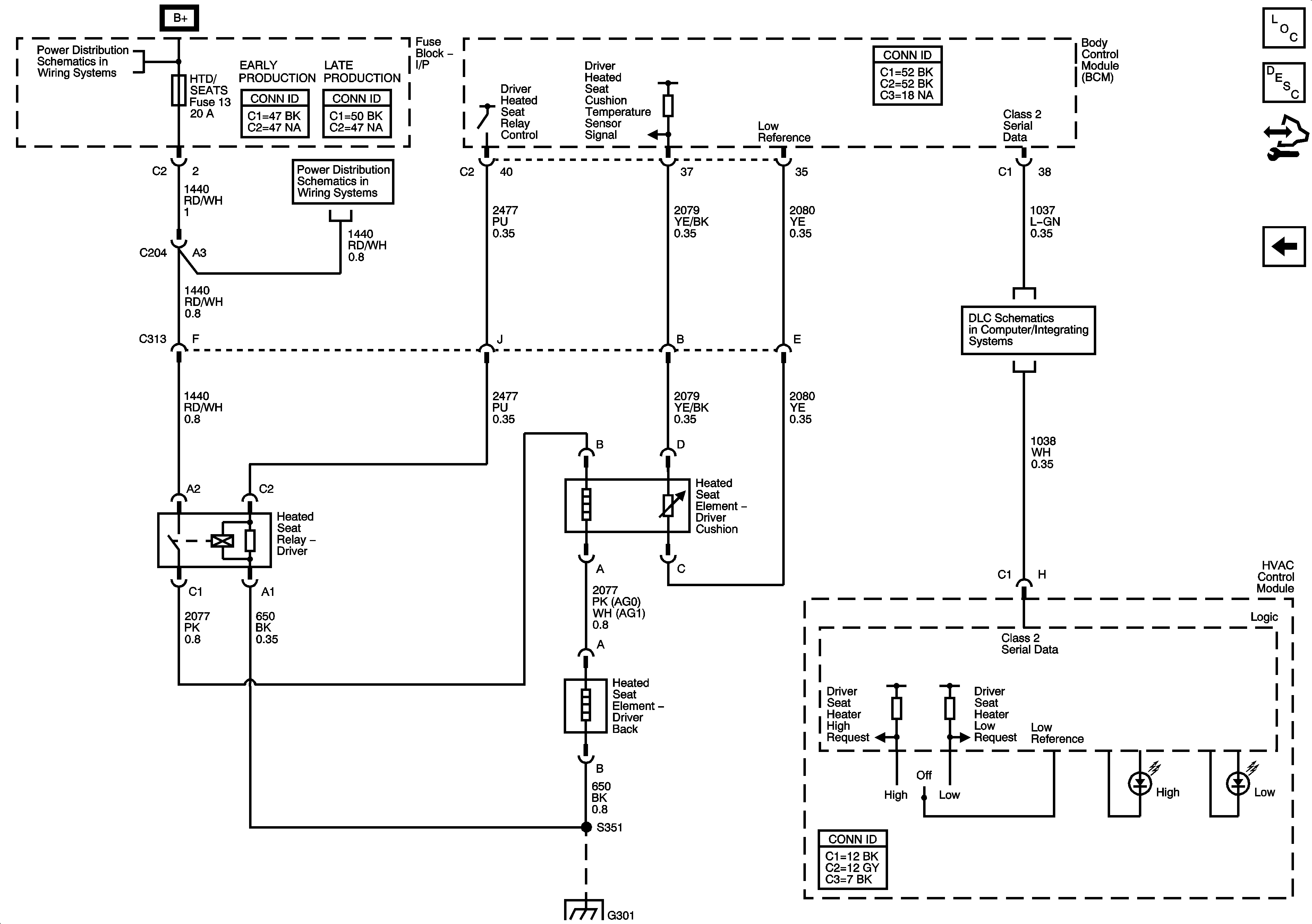
Heated Seats Description and Operation
Control Module References
Memory Seat Motors and Sensors
BATT MAIN 2, HTD/SEATS, LH-PSD, PWR MIR, RH-PSD, and STOP/TRN Fuses, PWR SEATS Circuit Breaker
BATT MAIN 2, HTD/SEATS, LH-PSD, PWR MIR, RH-PSD, and STOP/TRN Fuses, PWR SEATS Circuit Breaker
DLC Schematics
G301