GM Service Manual Online
For 1990-2009 cars only
Makes
🢒
Saturn
🢒
2007
🢒
RELAY Ext.
🢒 Engine Data Sensors - Throttle Actuator Controls
Engine Data Sensors - Throttle Actuator Controls
Engine Data Sensors - Throttle Actuator Controls
Master Electrical Component List
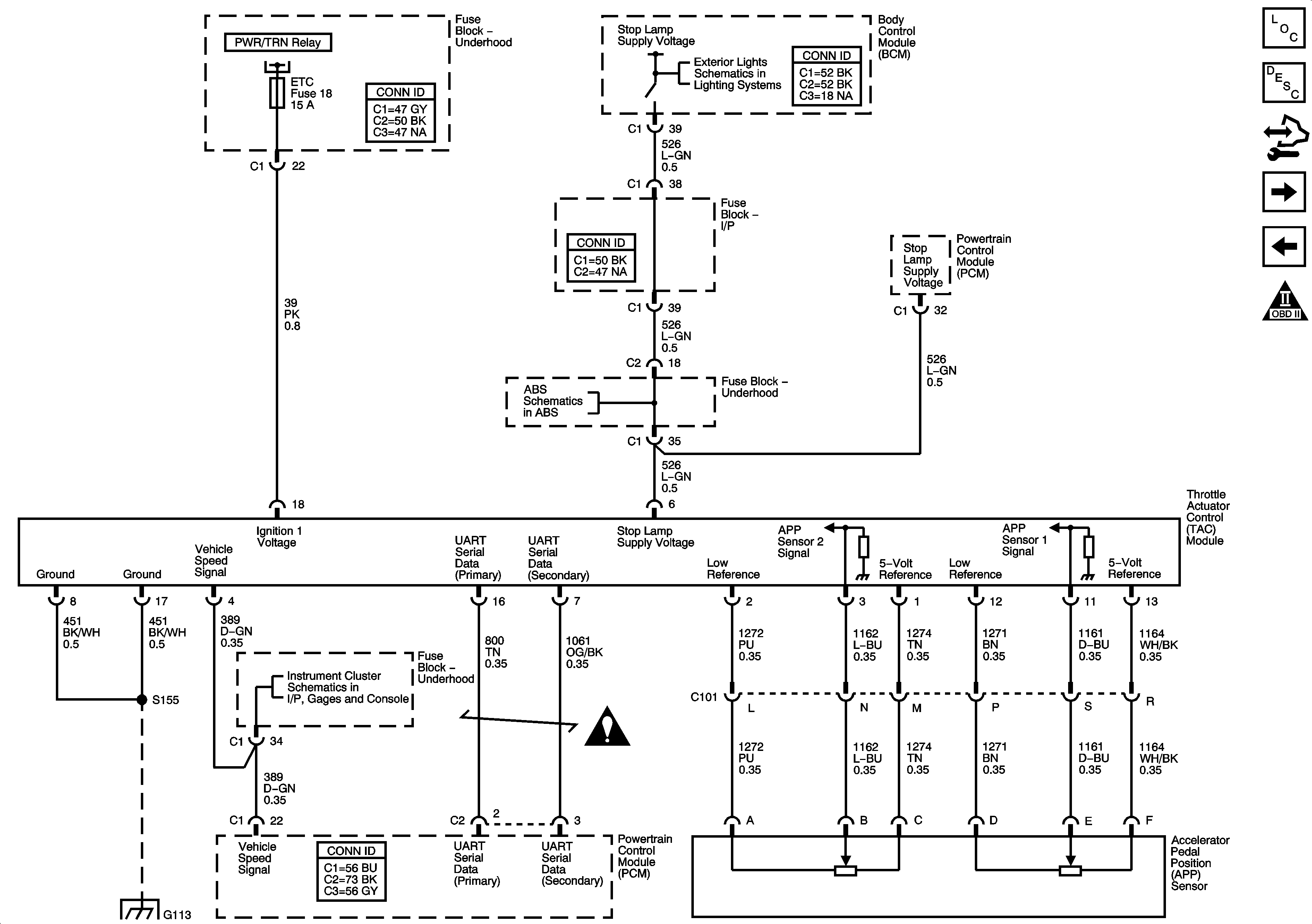
Throttle Actuator Control (TAC) System Description
Control Module References
Ignition Controls - Ignition System
Engine Data Sensors - Oxygen Sensors
Engine Controls Schematic Icons
Module Power, Ground, Serial Data, and MIL
Stop/Turn Signal Lamps
Driver Inputs, Indicators
Gages, Ground, and Power
G102, G113 and G115
Engine Controls Schematic Icons