GM Service Manual Online
For 1990-2009 cars only
Makes
🢒
Saturn
🢒
2007
🢒
RELAY Ext.
🢒 Fuel Controls - EVAP Controls and Manifold Tuning
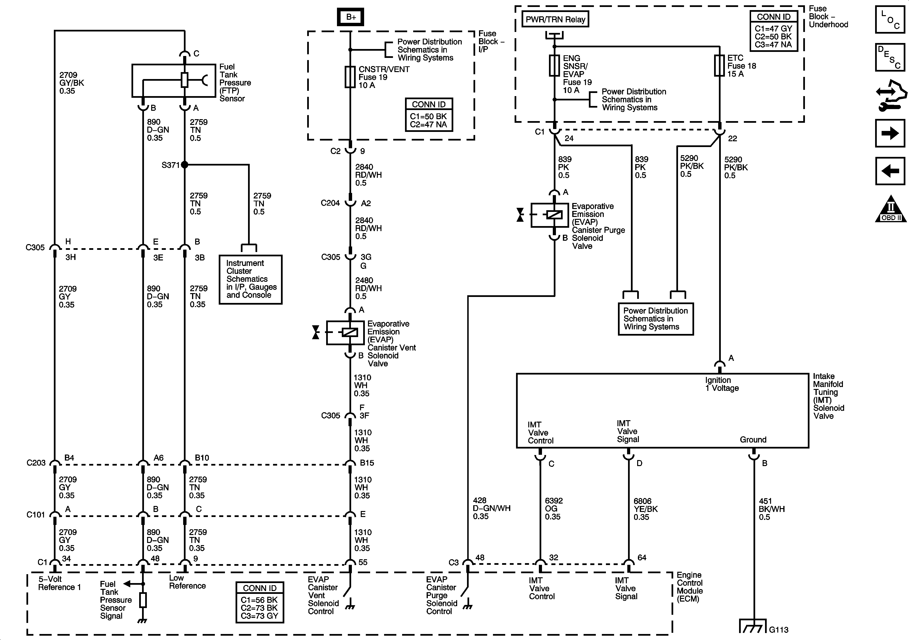
Fuel Controls - EVAP Controls and Manifold Tuning
EVAP Controls and Manifold Tuning
Master Electrical Component List
Intake Manifold Tuning Valve System Description
Control Module References
Controlled/Monitored Subsystem References
Fuel Controls - Fuel Injectors
Engine Controls Schematic Icons
CNSTR/VENT, CLSTR/HVAC, INT/LAMP, ONSTAR, and RADIO AMP Fuses
Gages, Ground, and Power
Module Power, Ground, Serial Data, and MIL
ELEC IGN, EMIS/AWD, ENG SNSR/EVAP, ETC, FRT BLWR HI, and FUEL INJ Fuses
ELEC IGN, EMIS/AWD, ENG SNSR/EVAP, ETC, FRT BLWR HI, and FUEL INJ Fuses
G102, G113 and G115