GM Service Manual Online
For 1990-2009 cars only
Makes
🢒
Saturn
🢒
2007
🢒
RELAY Ext.
🢒 Engine Cooling Schematics
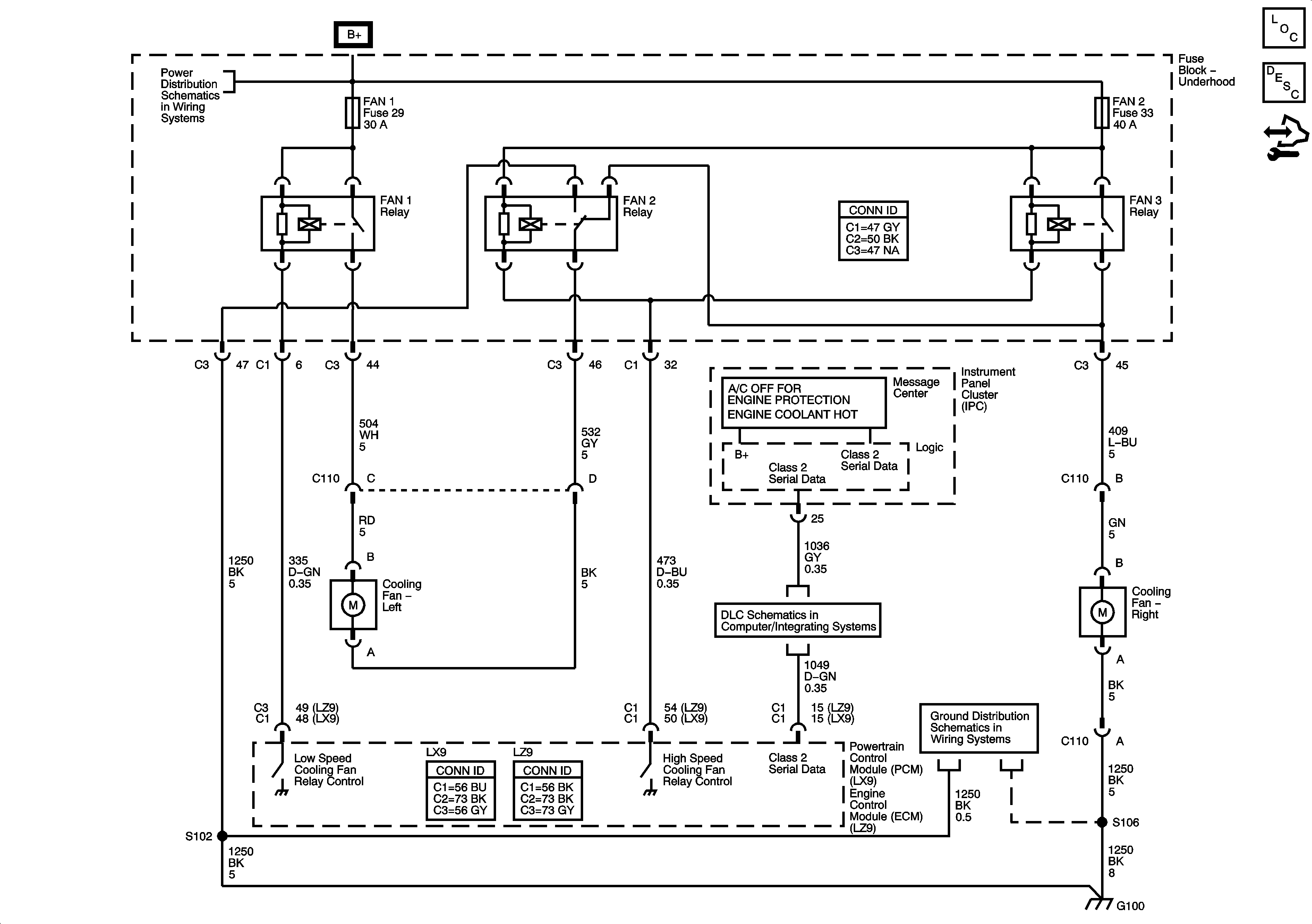
Engine Cooling Schematics
Master Electrical Component List
Cooling System Description and Operation
Control Module References
B+ Bus
Data Link Connector (DLC) Schematics
G100 and G101