GM Service Manual Online
For 1990-2009 cars only
Makes
🢒
Saturn
🢒
2007
🢒
RELAY Ext.
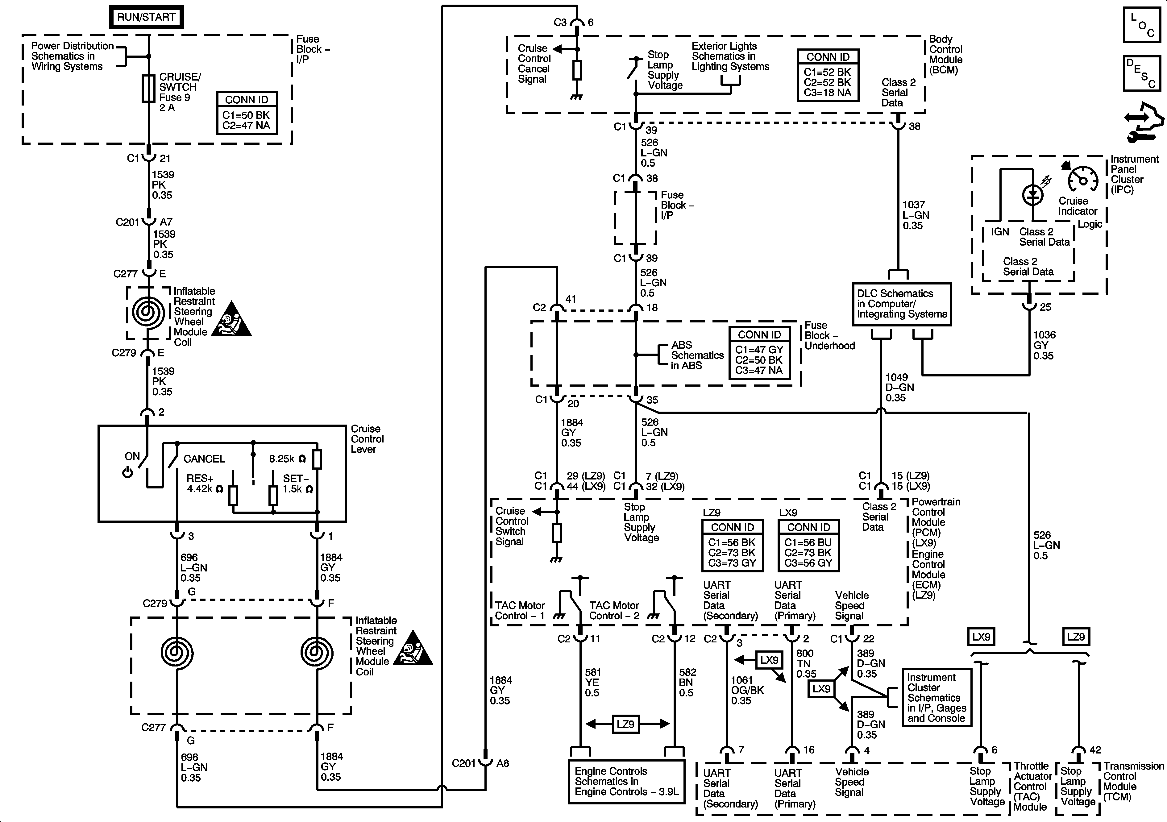
🢒 Cruise Control Schematics
Cruise Control Schematics
Master Electrical Component List
Cruise Control Description and Operation (3.5L)
Control Module References
ABS, AIRBAG, CRUISE/SWTCH, HVAC/RPA/CRUISE, PCM IGN, and TRANS SOLS Fuses
Backup Lamps
Cruise Control Schematic Icons
Driver Inputs, Indicators
Data Link Connector (DLC) Schematics
Cruise Control Schematic Icons
Gages, Ground, and Power
Engine Data Sensors - Throttle Actuator Controls