GM Service Manual Online
For 1990-2009 cars only
Makes
🢒
Saturn
🢒
2007
🢒
RELAY Ext.
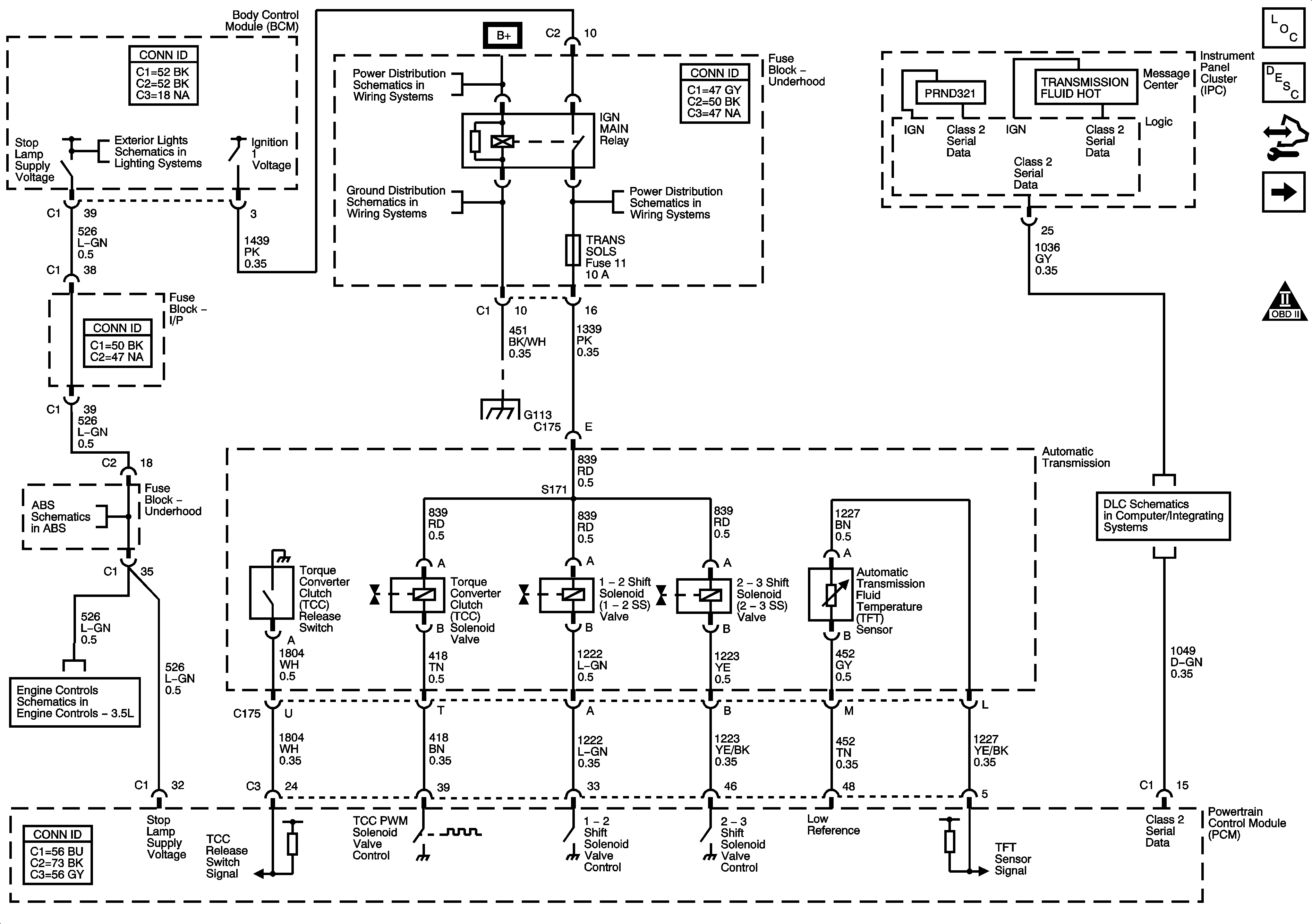
🢒 Shift Solenoids, TCC, and TFT
Shift Solenoids, TCC, and TFT
Shift Solenoids, TCC, and TFT
Master Electrical Component List
Electronic Component Description
Control Module References
ISS, Pressure Control, and VSS
Automatic Transmission Schematic Icons
Backup Lamps
B+ Bus
G102, G113 and G115
ABS, AIRBAG, CRUISE/SWTCH, HVAC/RPA/CRUISE, PCM IGN, and TRANS SOLS Fuses
Driver Inputs, Indicators
Engine Data Sensors - Throttle Actuator Controls
G102, G113 and G115
Data Link Connector (DLC) Schematics