GM Service Manual Online
For 1990-2009 cars only
Makes
🢒
Saturn
🢒
2007
🢒
RELAY Ext.
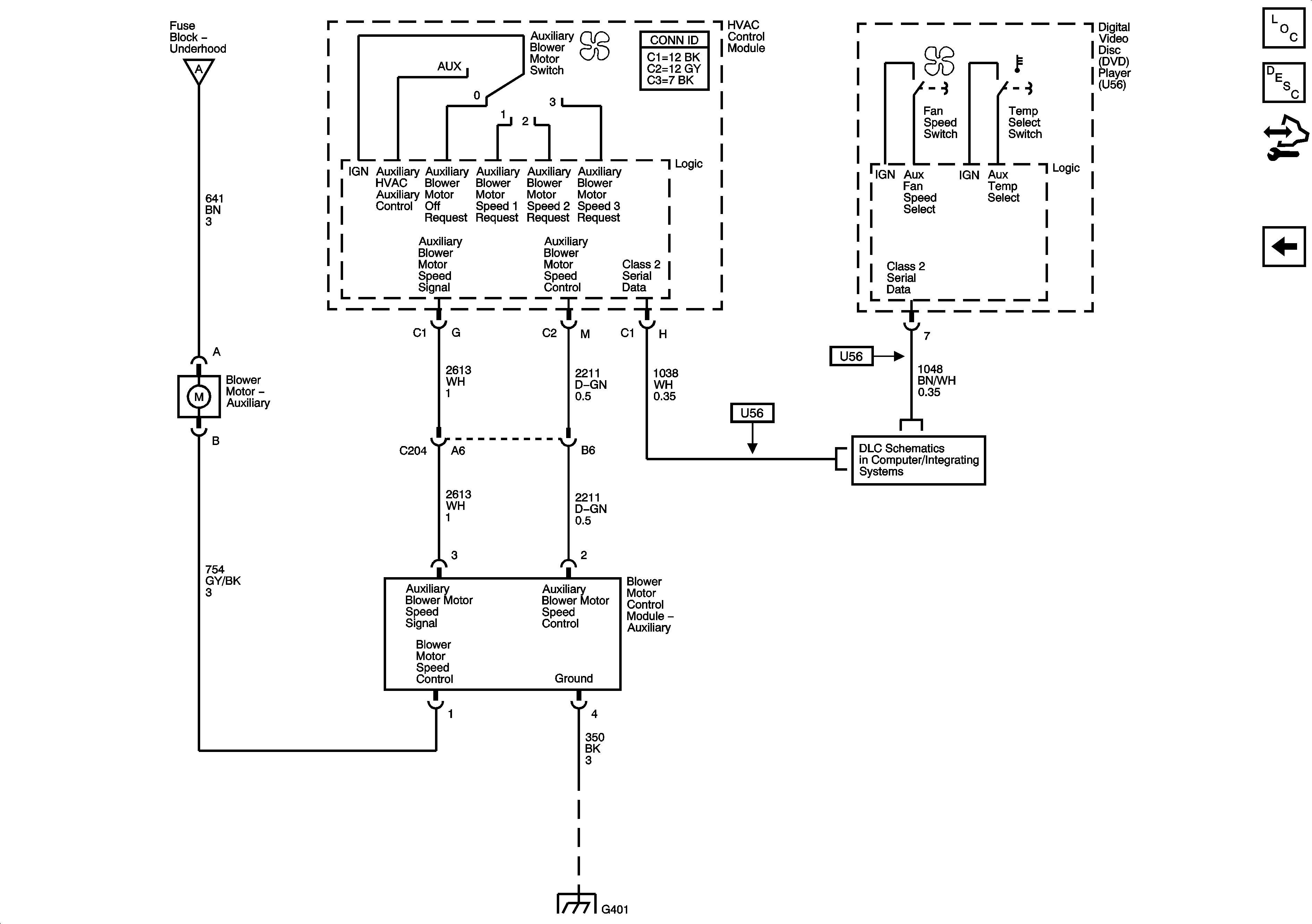
🢒 Auxiliary Blower Controls - C69
Auxiliary Blower Controls - C69
Auxiliary Blower Controls - C69
Master Electrical Component List
Air Delivery Description and Operation
Control Module References
A/C Compressor Controls
HVAC Schematics - Front Blower Control, Ground, and Power
Data Link Connector (DLC) Schematics
G401