GM Service Manual Online
For 1990-2009 cars only
Makes
🢒
Saturn
🢒
2007
🢒
RELAY Ext.
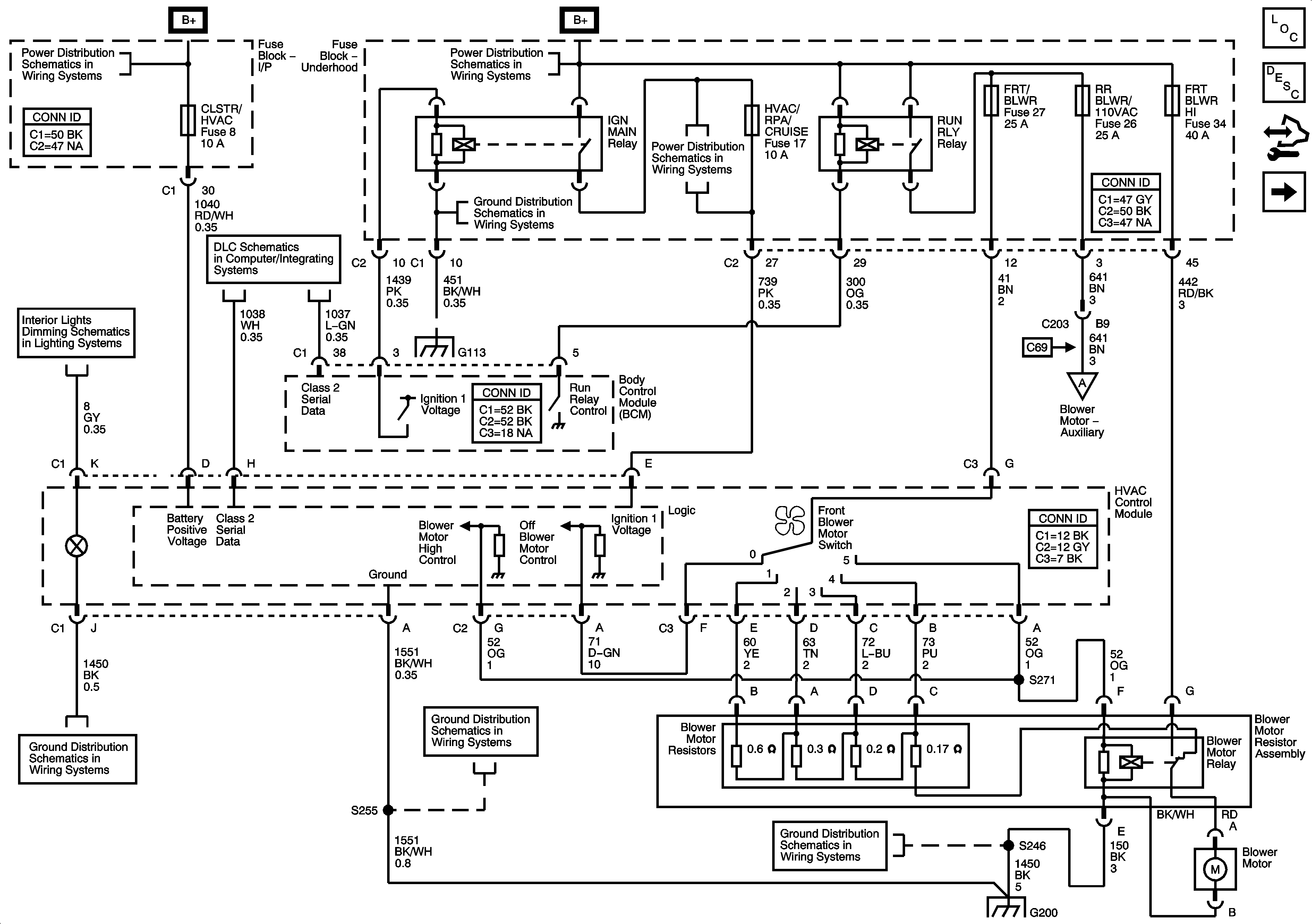
🢒 HVAC Schematics - Front Blower Control, Ground, and Power
HVAC Schematics - Front Blower Control, Ground, and Power
Front Blower Control, Ground, and Power
Master Electrical Component List
Air Delivery Description and Operation
Control Module References
Air Delivery and Temperature Control
CNSTR/VENT, CLSTR/HVAC, INT/LAMP, ONSTAR, and RADIO AMP Fuses
Control, I/P and Passenger Door Lamps
Data Link Connector (DLC) Schematics
B+ Bus
G102, G113 and G115
G102, G113 and G115
ABS, AIRBAG, CRUISE/SWTCH, HVAC/RPA/CRUISE, PCM IGN, and TRANS SOLS Fuses
Auxiliary Blower Controls - C69
G200 - 1 of 2
G200 - 2 of 2
G200 - 1 of 2
G200 - 1 of 2