GM Service Manual Online
For 1990-2009 cars only
Makes
🢒
Saturn
🢒
2007
🢒
RELAY Ext.
🢒 Body Rear End Schematics
Body Rear End Schematics
Master Electrical Component List
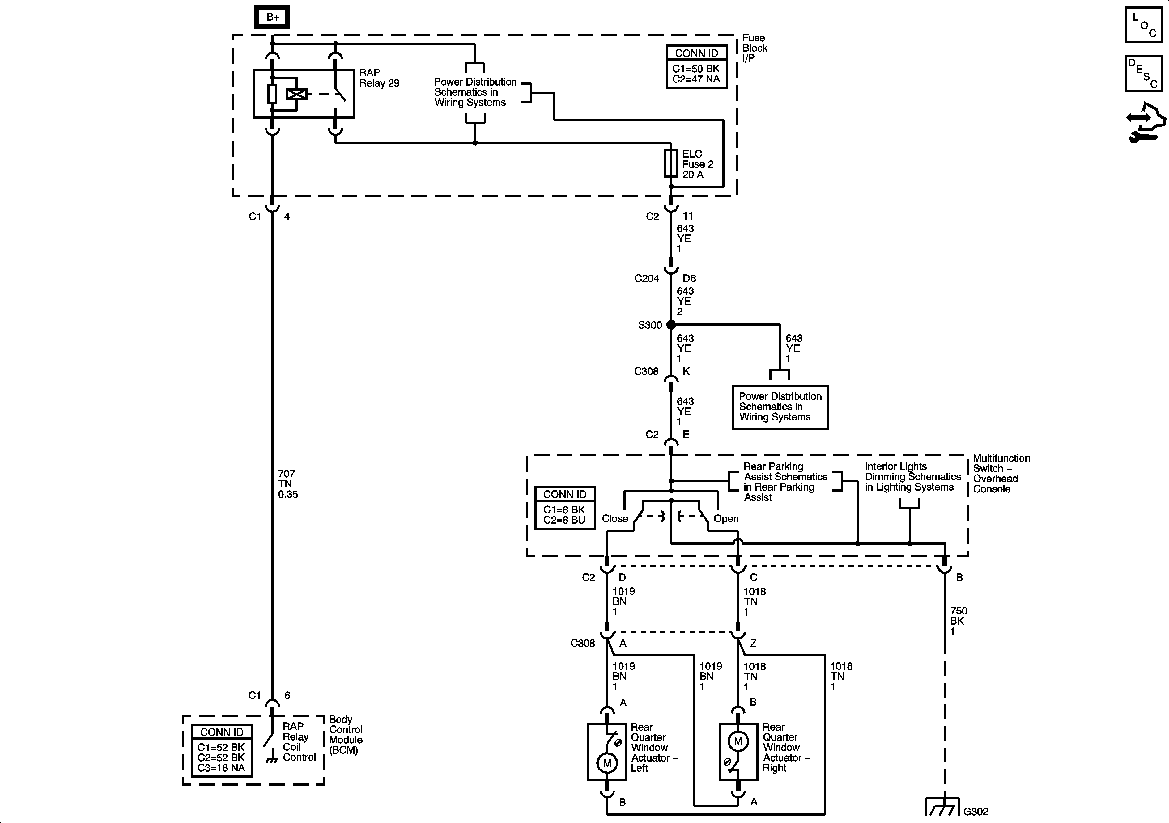
Rear Quarter Window Description and Operation
Control Module References
ELC, RR WPR, and STRG WHL ILLUM Fuses, PWR WNDW Circuit Breaker
ELC, RR WPR, and STRG WHL ILLUM Fuses, PWR WNDW Circuit Breaker
Object Detection Schematics
Control, I/P and Passenger Door Lamps
G302 - 2 of 2