GM Service Manual Online
For 1990-2009 cars only
Makes
🢒
Saturn
🢒
2007
🢒
RELAY Ext.
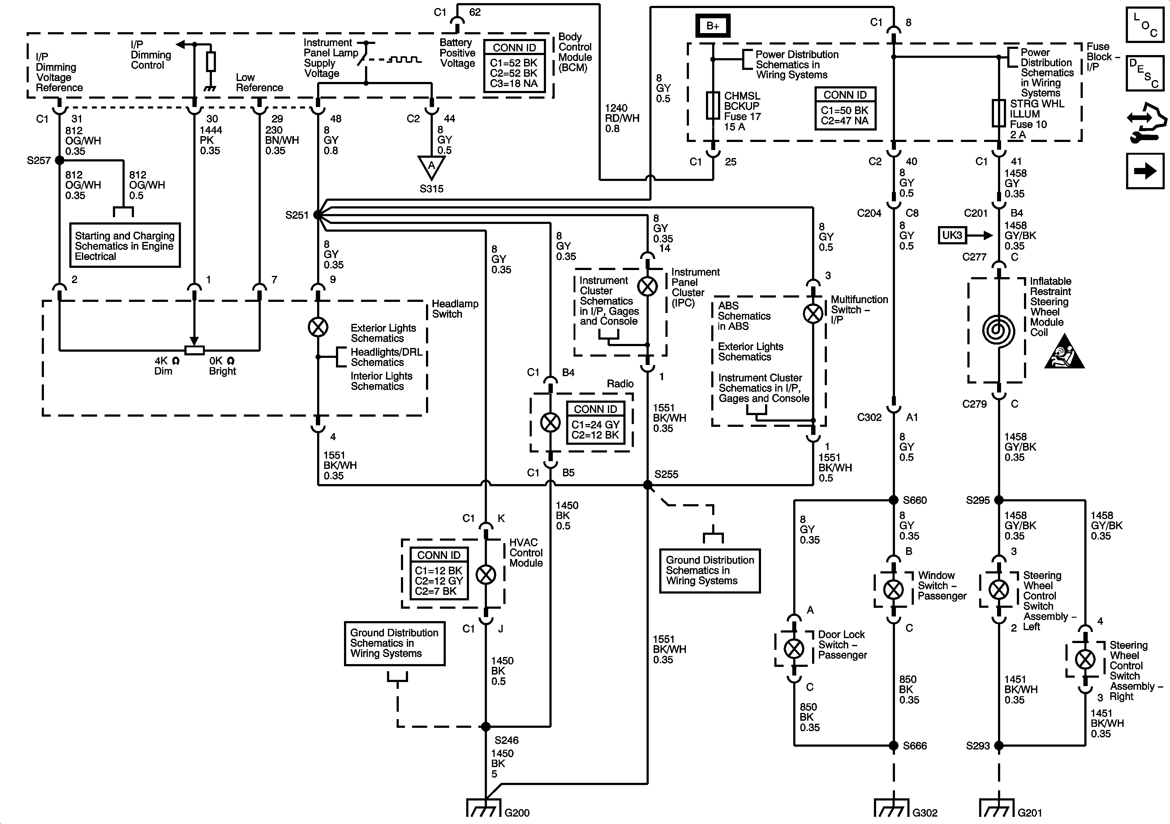
🢒 Control, I/P and Passenger Door Lamps
Control, I/P and Passenger Door Lamps
Control, I/P and Passenger Door Lamps
Master Electrical Component List
Interior Lighting Systems Description and Operation
Control Module References
Left Door and Roof
Charging
Park, Marker, and License Lamps
Headlights
Switches
Left Door and Roof
Left Door and Roof
Driver Inputs, Indicators
Backup Lamps
Messages
Lighting Systems Schematic Icons
G200 - 1 of 2
G200 - 2 of 2
G200 - 1 of 2
G302 - 1 of 2
G201