GM Service Manual Online
For 1990-2009 cars only
Makes
🢒
Saturn
🢒
2007
🢒
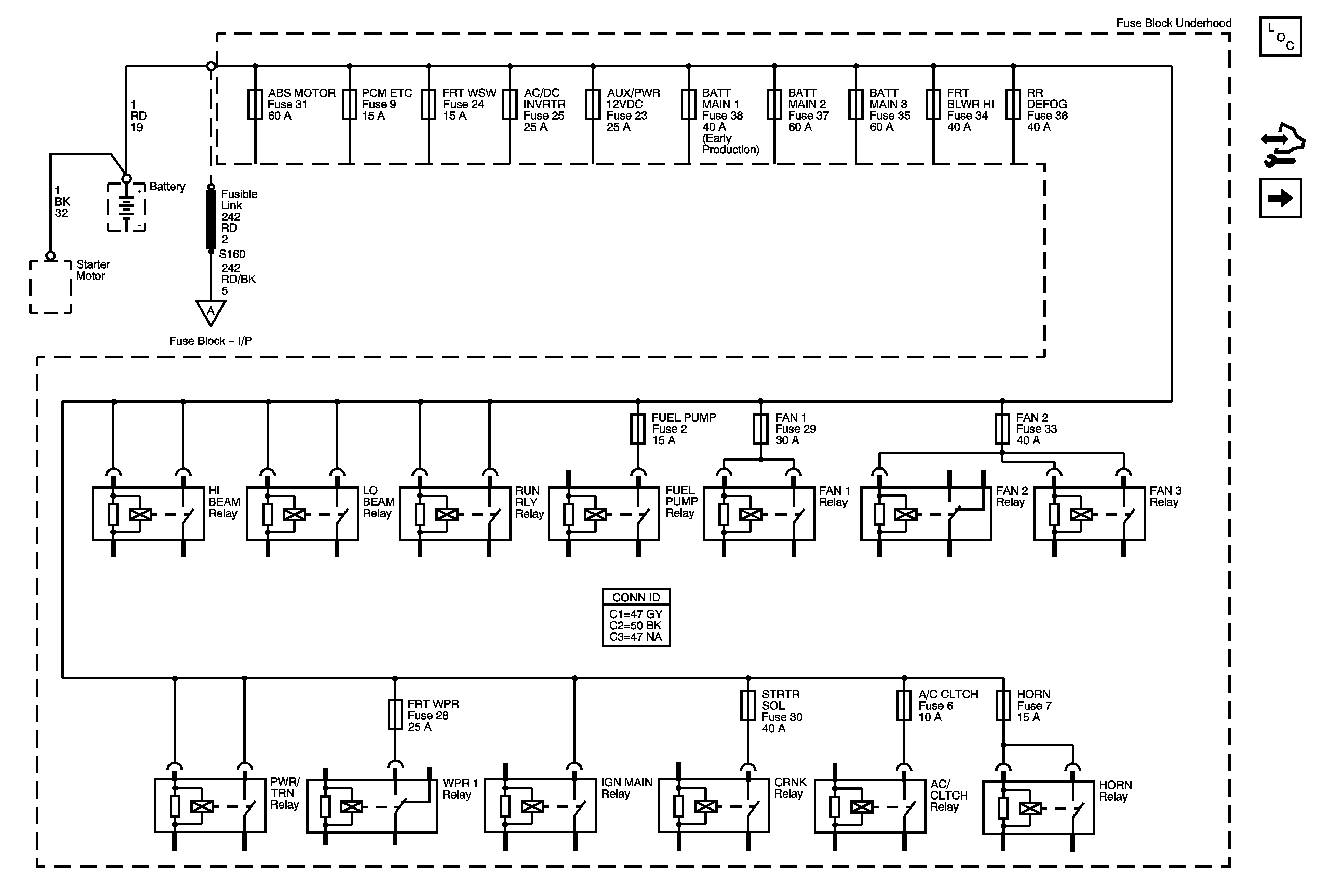
RELAY Ext.
🢒 B+ Bus
B+ Bus
B+ Bus
Master Electrical Component List
Control Module References
ABS MOTOR, AC/DC INVRTR, AUX/PWR 12VDC, FRT WSW, and PCM ETC Fuses
CHMSL BCK/UP, PRK LAMP, PWR SLD DR, and RFA MDLS Fuses