GM Service Manual Online
For 1990-2009 cars only
Makes
🢒
Saturn
🢒
2007
🢒
RELAY Ext.
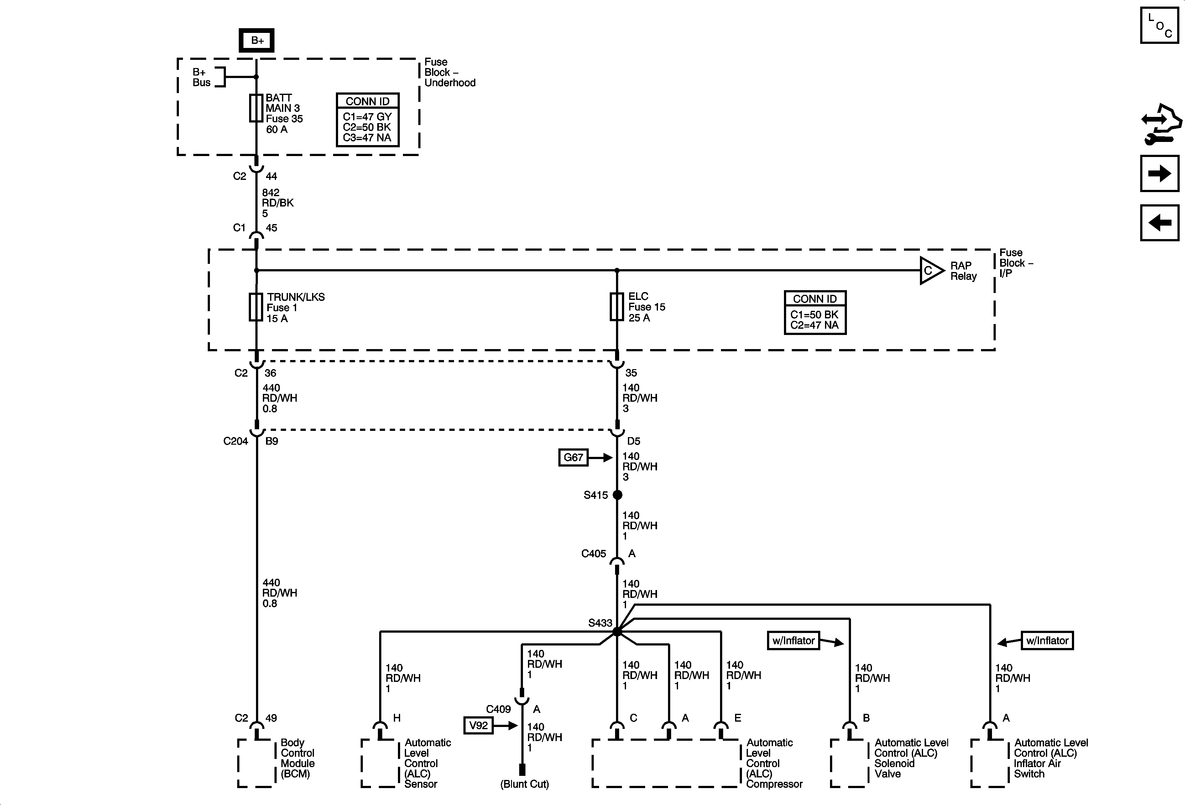
🢒 BATT MAIN 3, ELC, and TRUNK/LKS Fuses
BATT MAIN 3, ELC, and TRUNK/LKS Fuses
BATT MAIN 3, ELC, and TRUNK/LKS Fuses
Master Electrical Component List
Control Module References
Ignition Switch
BATT MAIN 2, HTD/SEATS, LT PWR SLD DR, PWR/MIR UGDO, RT PWR SLD DR, Sit-N-Lift Seat, and STOP/TRN Fuses, PWR SEATS and Sit-N-Lift Circuit Breaker
B+ Bus
ELC, REAR/WPR, and STR/WHL/ILLUM Fuses, PWR WNDW Circuit Breaker