GM Service Manual Online
For 1990-2009 cars only
Makes
🢒
Saturn
🢒
2007
🢒
RELAY Ext.
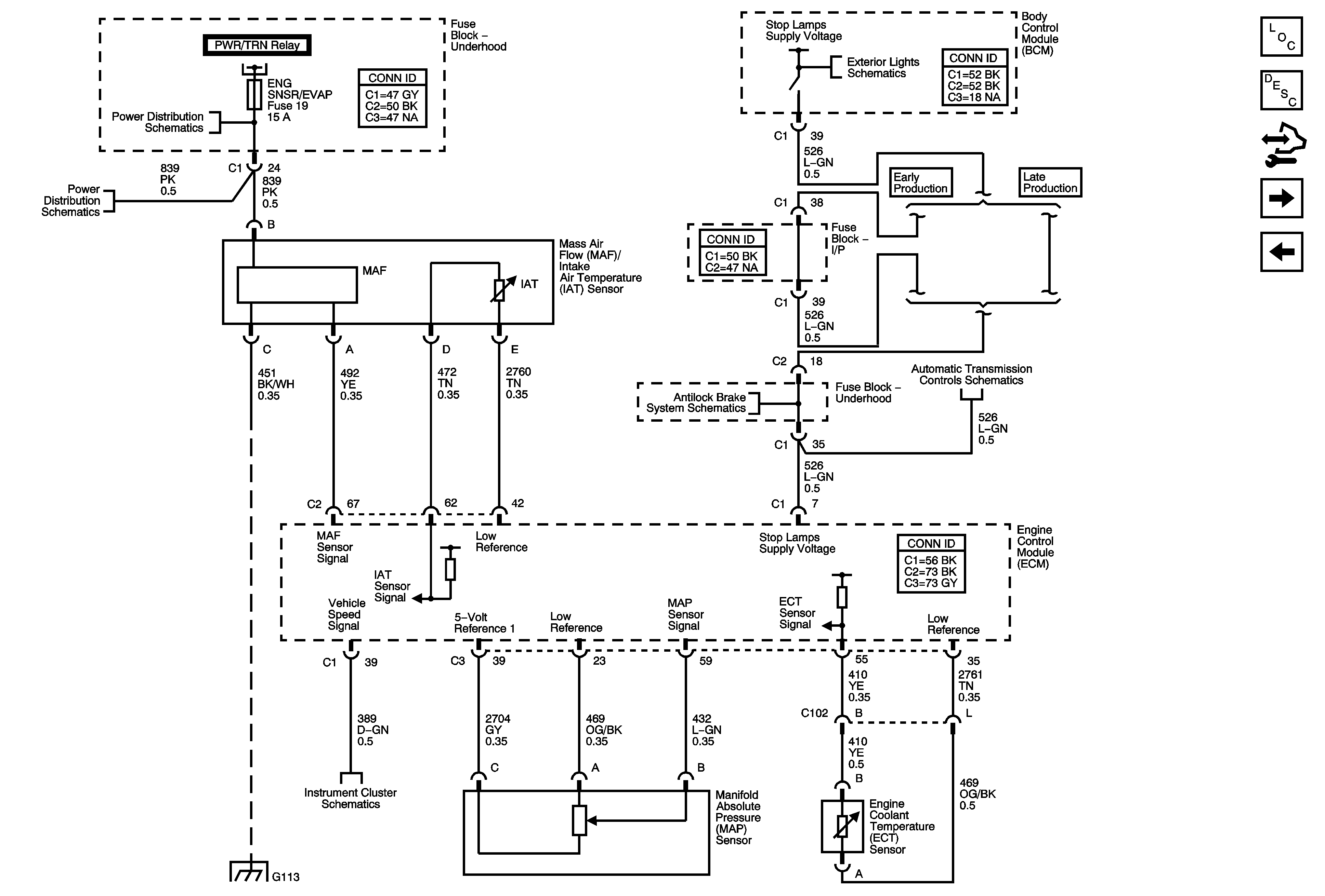
🢒 Engine Data Sensors -Pressure, Temperature, Extended Brake Travel, and VSS
Engine Data Sensors -Pressure, Temperature, Extended Brake Travel, and VSS
Engine Data Sensors - Pressure, Temperature, Extended Brake Travel, and VSS
Master Electrical Component List
Engine Control Module Description
Control Module References
Engine Data Sensors - Oxygen Sensors
Engine Data Sensors - 5-Volt and Low Reference
Module Power, Ground, Serial Data, and MIL
ELEC IGN, ENG SNSR/EVAP, ETC, FRT BLWR HI, and FUEL INJ Fuses
ELEC IGN, ENG SNSR/EVAP, ETC, FRT BLWR HI, and FUEL INJ Fuses
Gages, Ground, and Power
G102, G113 and G115
Park/Turn and Stop/Turn Signal Lamps
Ground, Power, Shift Solenoids, Stop Lamp Switch, TCC, and TFT
Driver Inputs, Indicators