GM Service Manual Online
For 1990-2009 cars only
Makes
🢒
Saturn
🢒
2007
🢒
RELAY Ext.
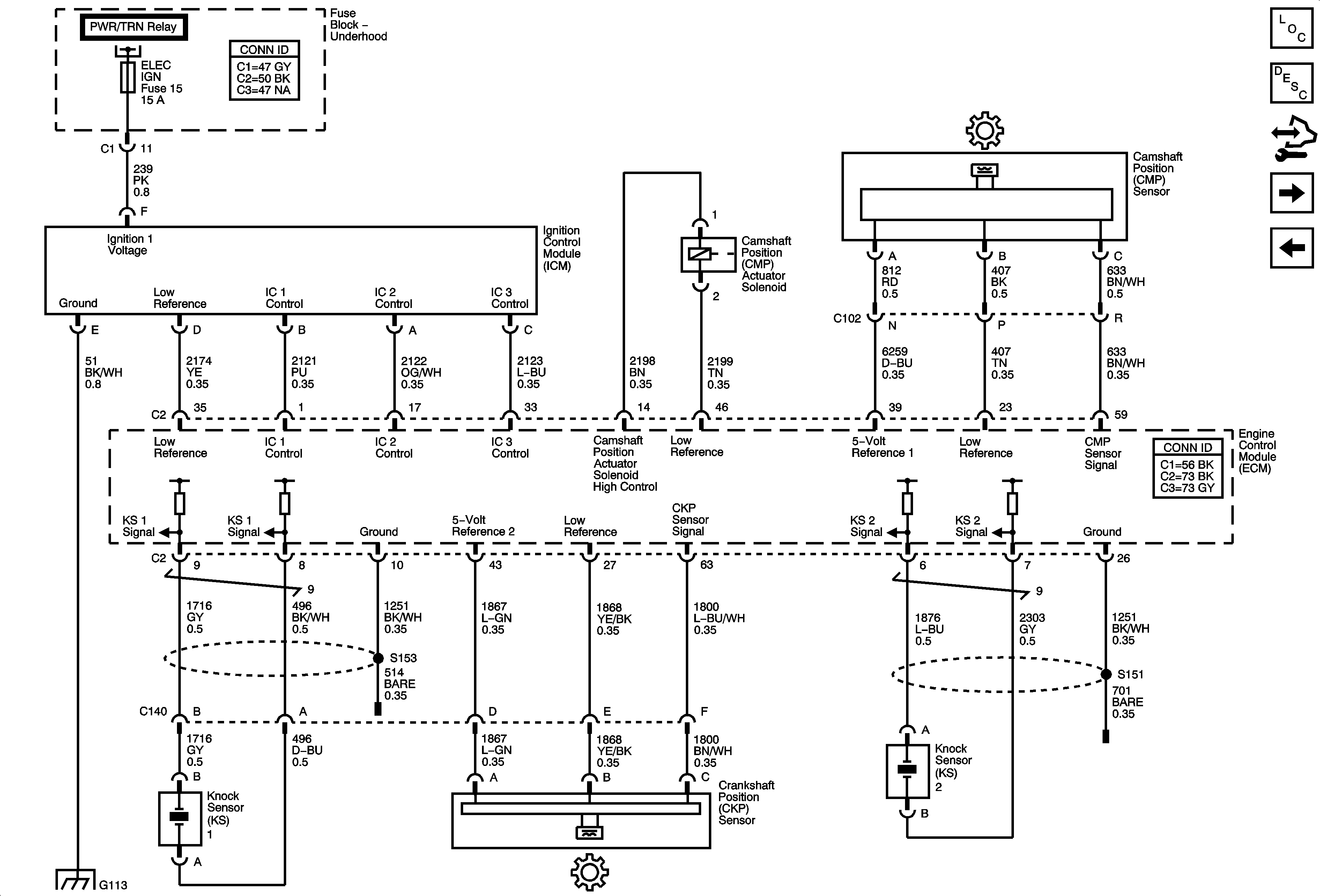
🢒 Ignition Controls and Camshaft Control
Ignition Controls and Camshaft Control
Ignition Controls and Camshaft Control
Master Electrical Component List
Electronic Ignition (EI) System Description
Control Module References
Fuel Controls - Fuel Pump Controls
Engine Data Sensors - Throttle Actuator Controls
Module Power, Ground, Serial Data, and MIL
ELEC IGN, ENG SNSR/EVAP, ETC, FRT BLWR HI, and FUEL INJ Fuses