GM Service Manual Online
For 1990-2009 cars only
Makes
🢒
Saturn
🢒
2007
🢒
RELAY Ext.
🢒 Fuel Controls - Fuel Pump Controls
Fuel Controls - Fuel Pump Controls
Fuel Controls - Fuel Pump Controls
Master Electrical Component List
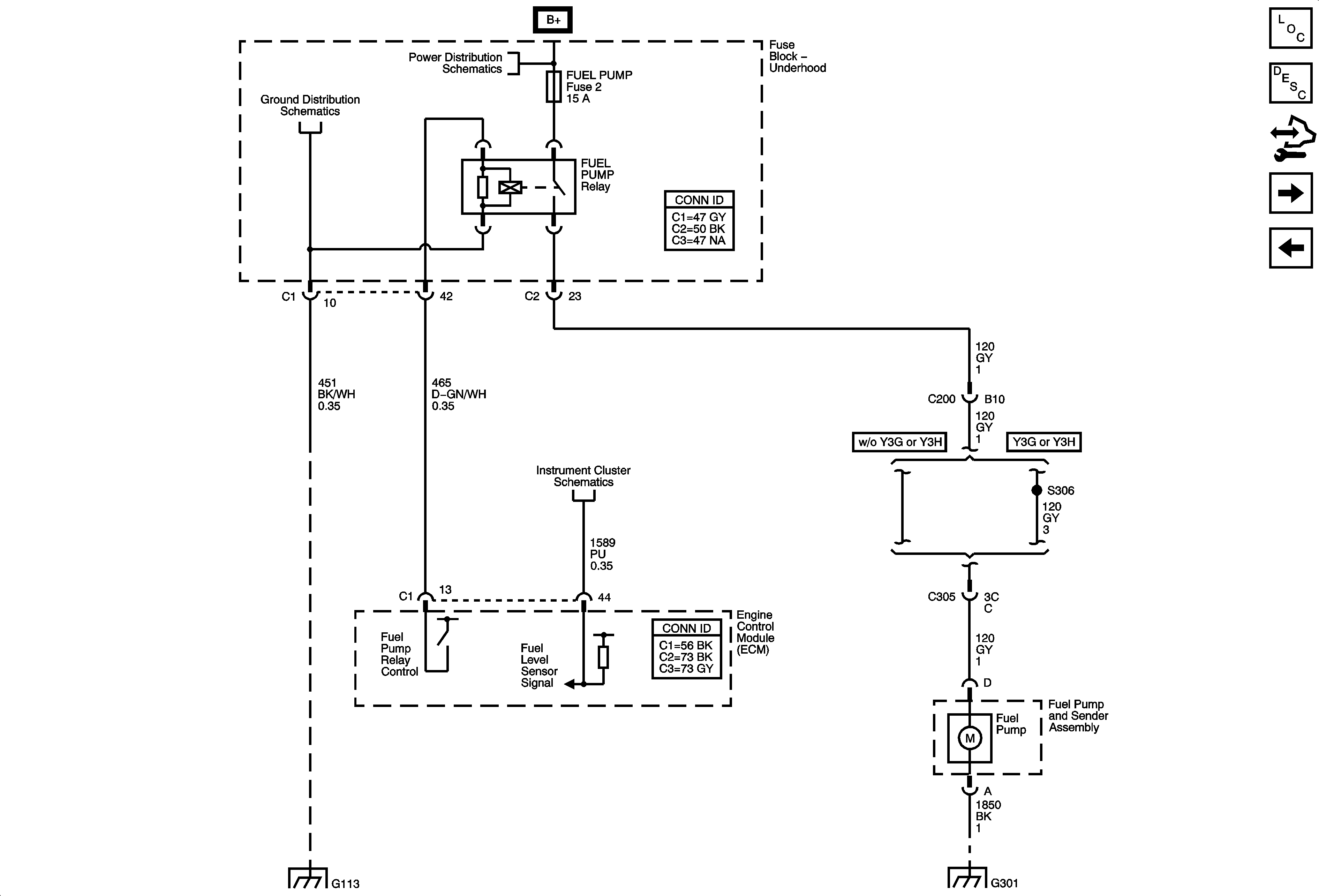
Fuel System Description
Control Module References
Fuel Controls - Fuel Injectors
Ignition Controls and Camshaft Control
G102, G113 and G115
B+ Bus
Gages, Ground, and Power
G102, G113 and G115
G301