GM Service Manual Online
For 1990-2009 cars only
Makes
🢒
Saturn
🢒
2007
🢒
RELAY Ext.
🢒 Engine CoolingSchematics
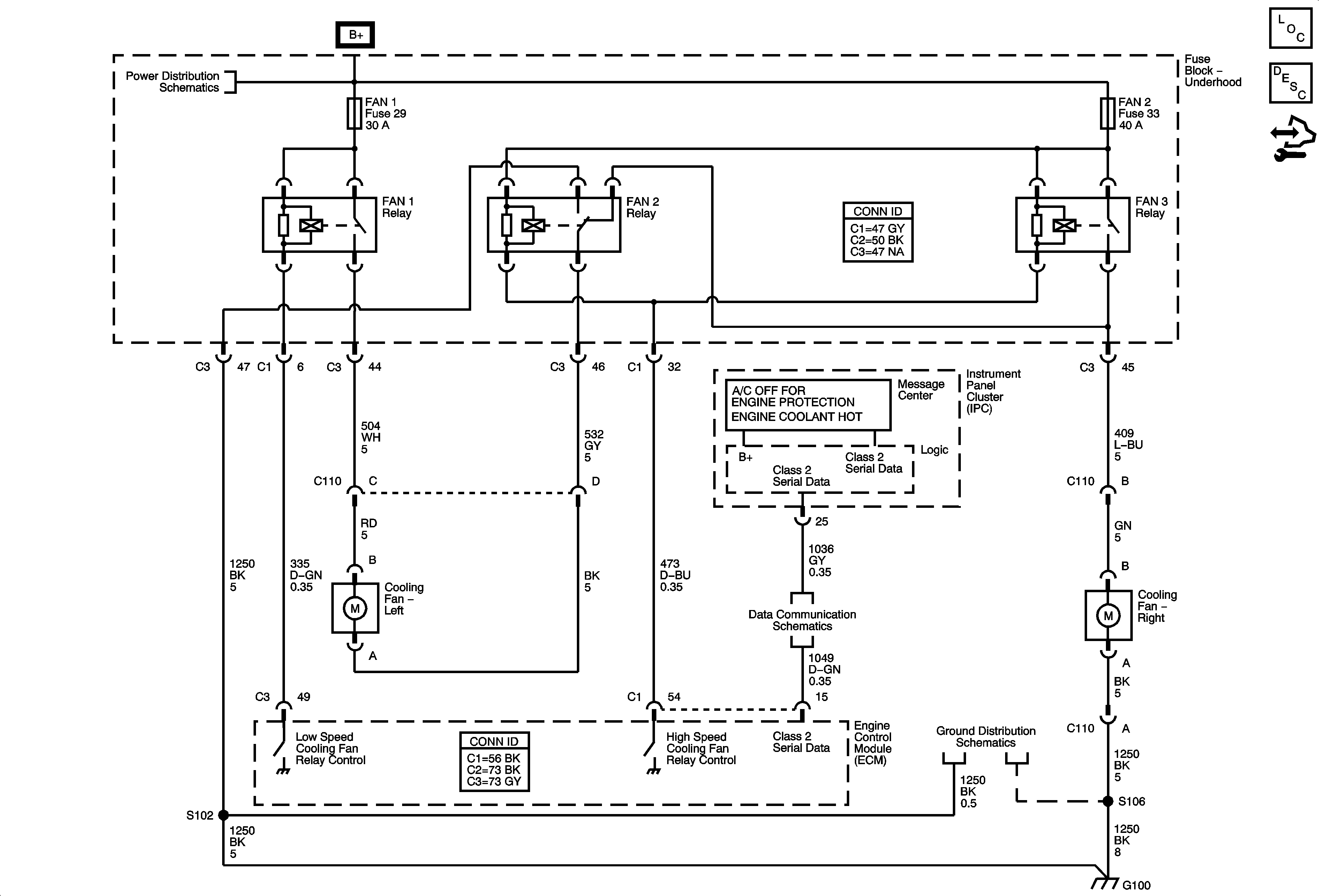
Engine CoolingSchematics
Master Electrical Component List
Cooling System Description and Operation
Control Module References
B+ Bus
Data Communication Schematics
G100 and G101