GM Service Manual Online
For 1990-2009 cars only
Makes
🢒
Saturn
🢒
2007
🢒
RELAY Ext.
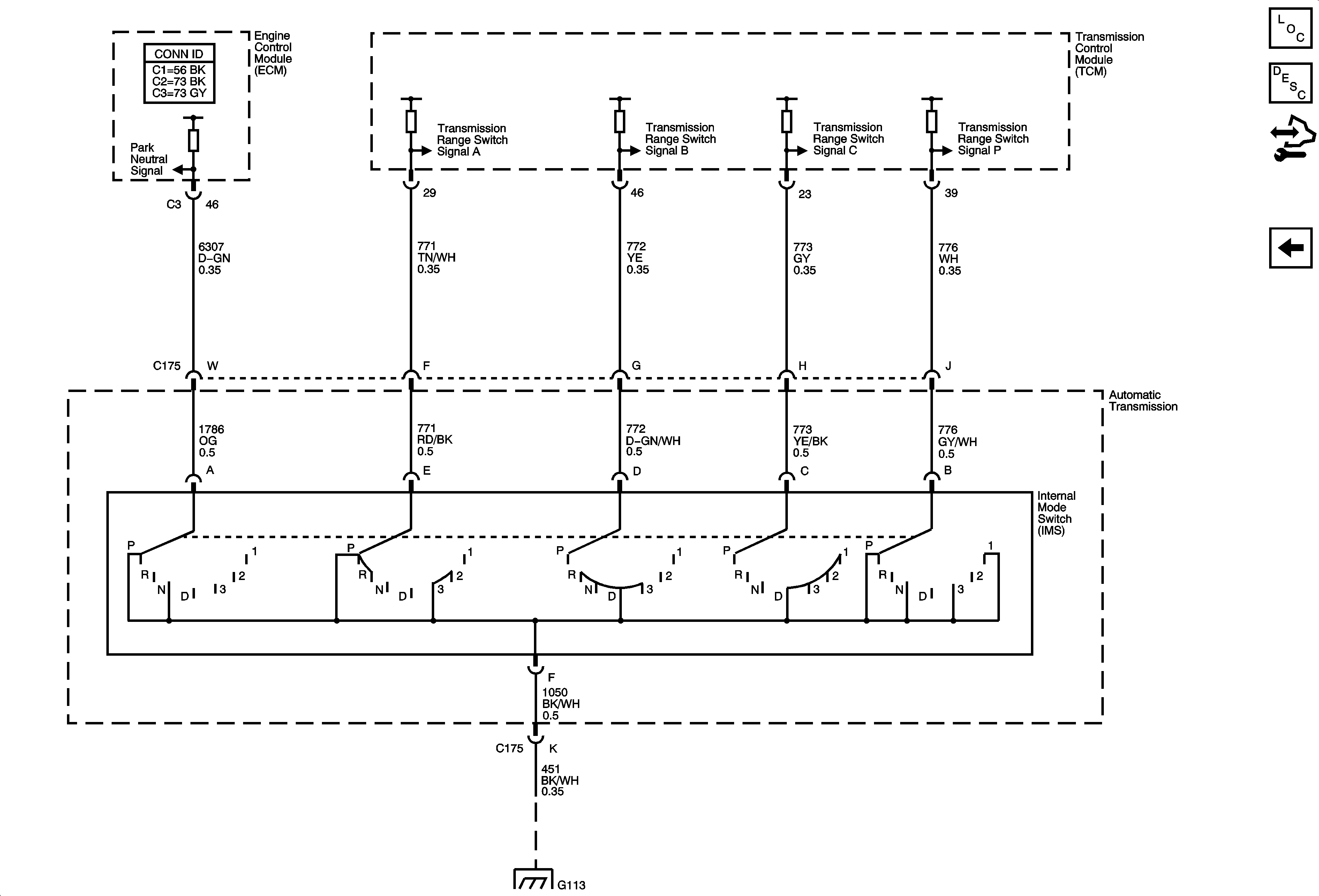
🢒 Internal Mode Switch
Internal Mode Switch
Internal Mode Switch
Master Electrical Component List
Electronic Component Description
Control Module References
Indicators, ISS, Pressure Control, Serial Data, and VSS
G102, G113 and G115