GM Service Manual Online
For 1990-2009 cars only

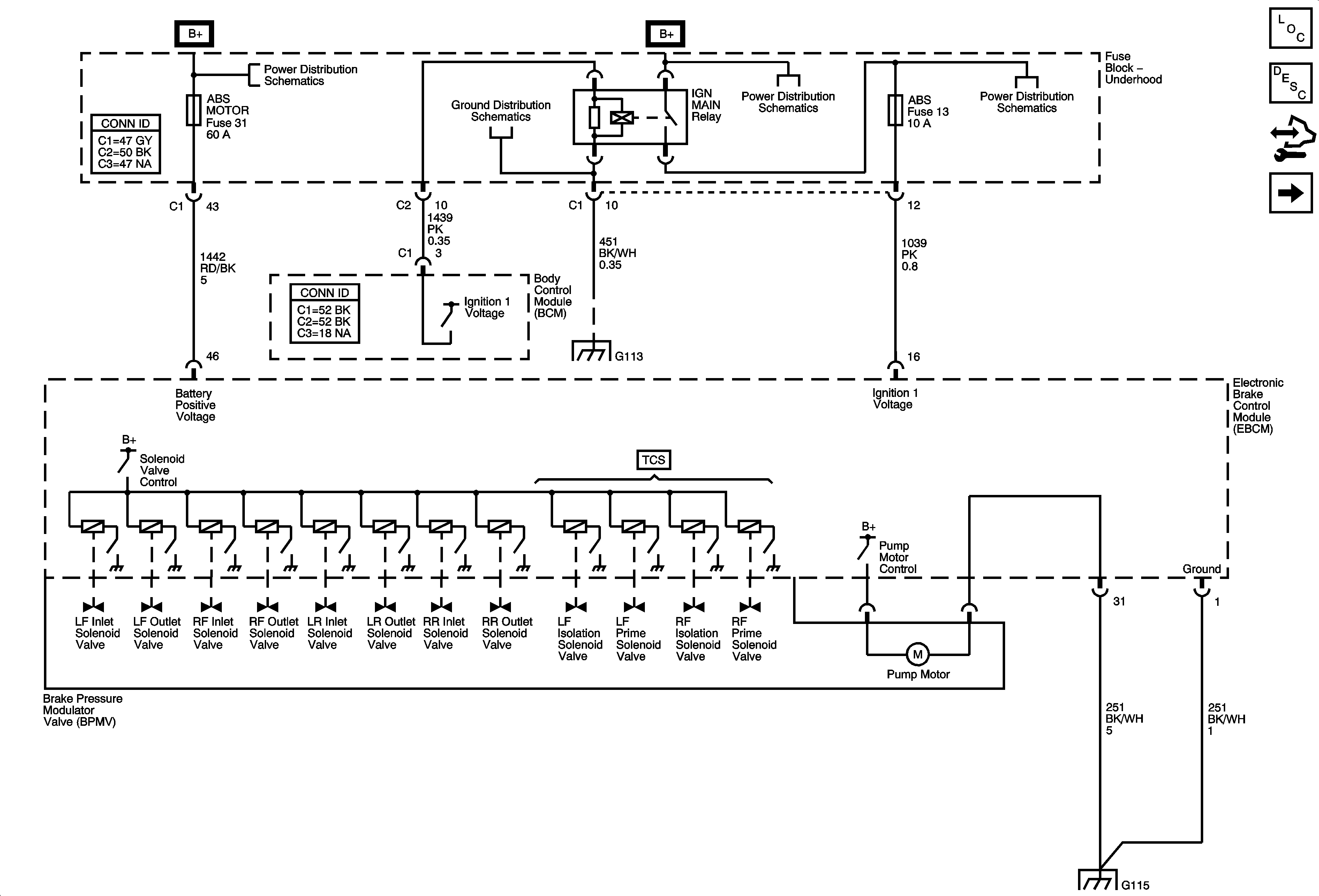
Ground, Power, Pump, and Solenoid Valves

Ground, Power, Pump, and Solenoid Valves


Object Number: 1740053  Size: FS
Master Electrical Component List
ABS Description and Operation
Control Module References
Driver Inputs, Indicators
ABS MOTOR, AC/DC INVRTR, AUX/PWR 12VDC, FRT WSW, and PCM ETC Fuses
G102, G113 and G115
ABS, AIRBAG, CRUISE/SWTCH, HVAC/RPA/CRUISE, PCM IGN, and TRANS SOLS Fuses
ABS, AIRBAG, CRUISE/SWTCH, HVAC/RPA/CRUISE, PCM IGN, and TRANS SOLS Fuses
G102, G113 and G115
G102, G113 and G115