GM Service Manual Online
For 1990-2009 cars only
Makes
🢒
Saturn
🢒
2007
🢒
RELAY Ext.
🢒 Indicators and Lighting
Indicators and Lighting
Indicators and Lighting
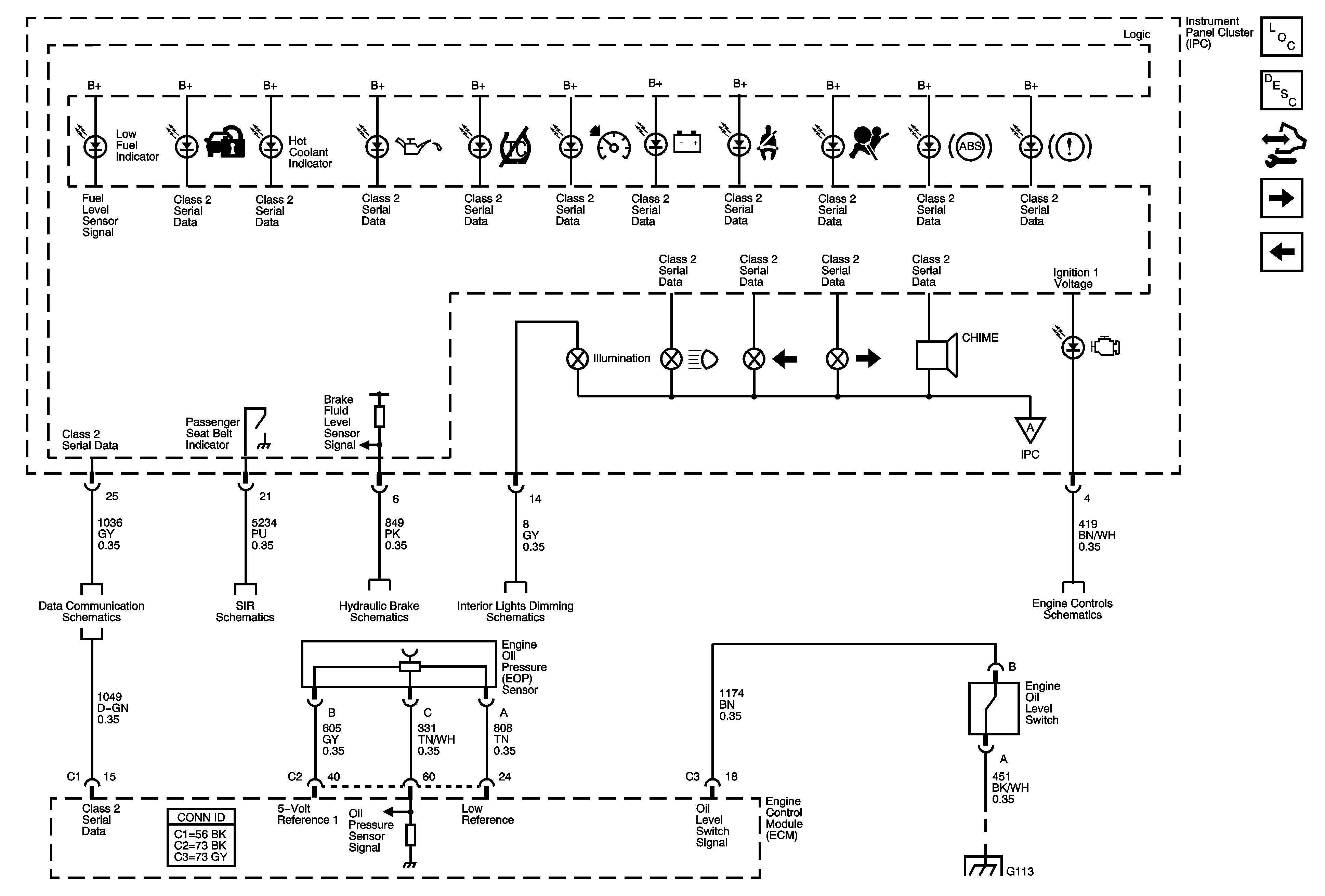
Master Electrical Component List
Indicator/Warning Message Description and Operation
Control Module References
Messages
Gages, Ground, and Power
Data Communication Schematics
Occupant Sensing
Hydraulic Brake Schematics
Control, I/P, Passenger Door, and Steering Wheel Lamps
Gages, Ground, and Power
Module Power, Ground, Serial Data, and MIL
G102, G113 and G115