GM Service Manual Online
For 1990-2009 cars only
Makes
🢒
Saturn
🢒
2007
🢒
RELAY Ext.
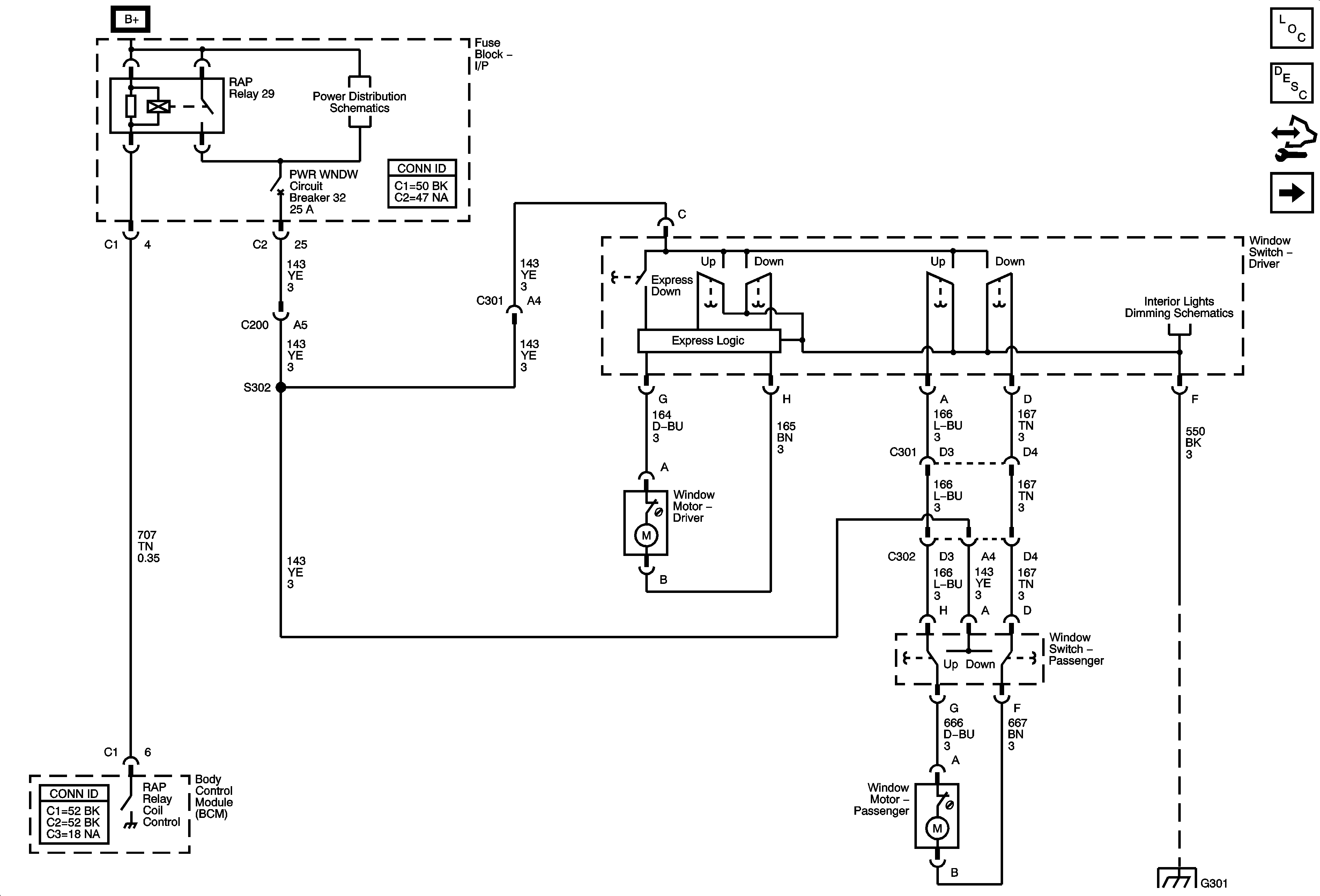
🢒 Front Door Windows
Front Door Windows
Front Door Windows
Master Electrical Component List
Power Windows Description and Operation
Control Module References
Rear Quarter Windows
ELC, REAR/WPR, and STR/WHL/ILLUM Fuses, PWR WNDW Circuit Breaker
G301