GM Service Manual Online
For 1990-2009 cars only
Makes
🢒
Saturn
🢒
2007
🢒
RELAY Ext.
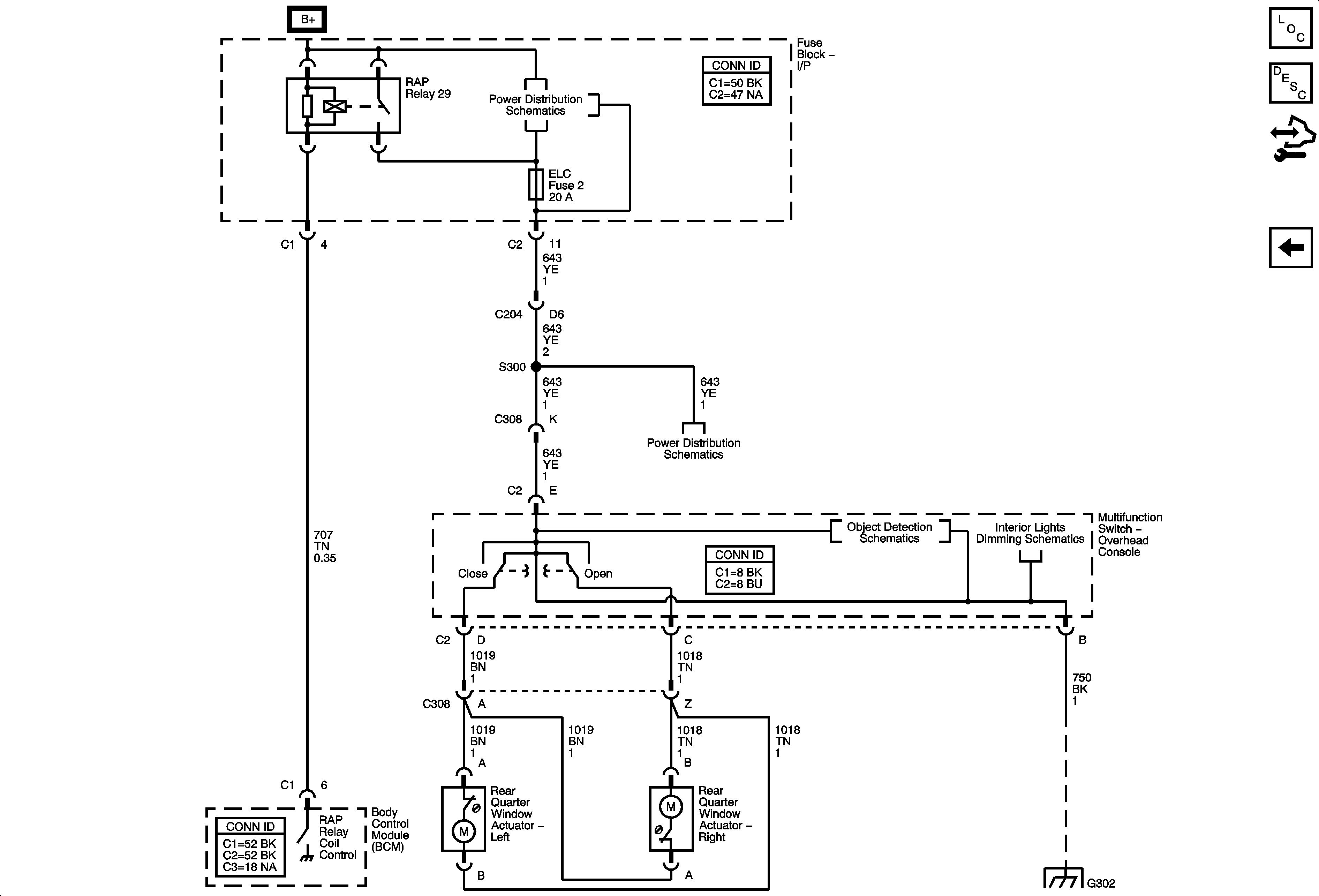
🢒 Rear Quarter Windows
Rear Quarter Windows
Rear Quarter Windows
Master Electrical Component List
Rear Quarter Window Description and Operation
Control Module References
Front Door Windows
ELC, REAR/WPR, and STR/WHL/ILLUM Fuses, PWR WNDW Circuit Breaker
ELC, REAR/WPR, and STR/WHL/ILLUM Fuses, PWR WNDW Circuit Breaker
Object Detection Schematics
Control, I/P, Passenger Door, and Steering Wheel Lamps
G302 - 2 of 2