GM Service Manual Online
For 1990-2009 cars only
Makes
🢒
Saturn
🢒
2007
🢒
RELAY Ext.
🢒 Arm, Disarm, and Warning
Arm, Disarm, and Warning
Arm, Disarm, and Warning
Master Electrical Component List
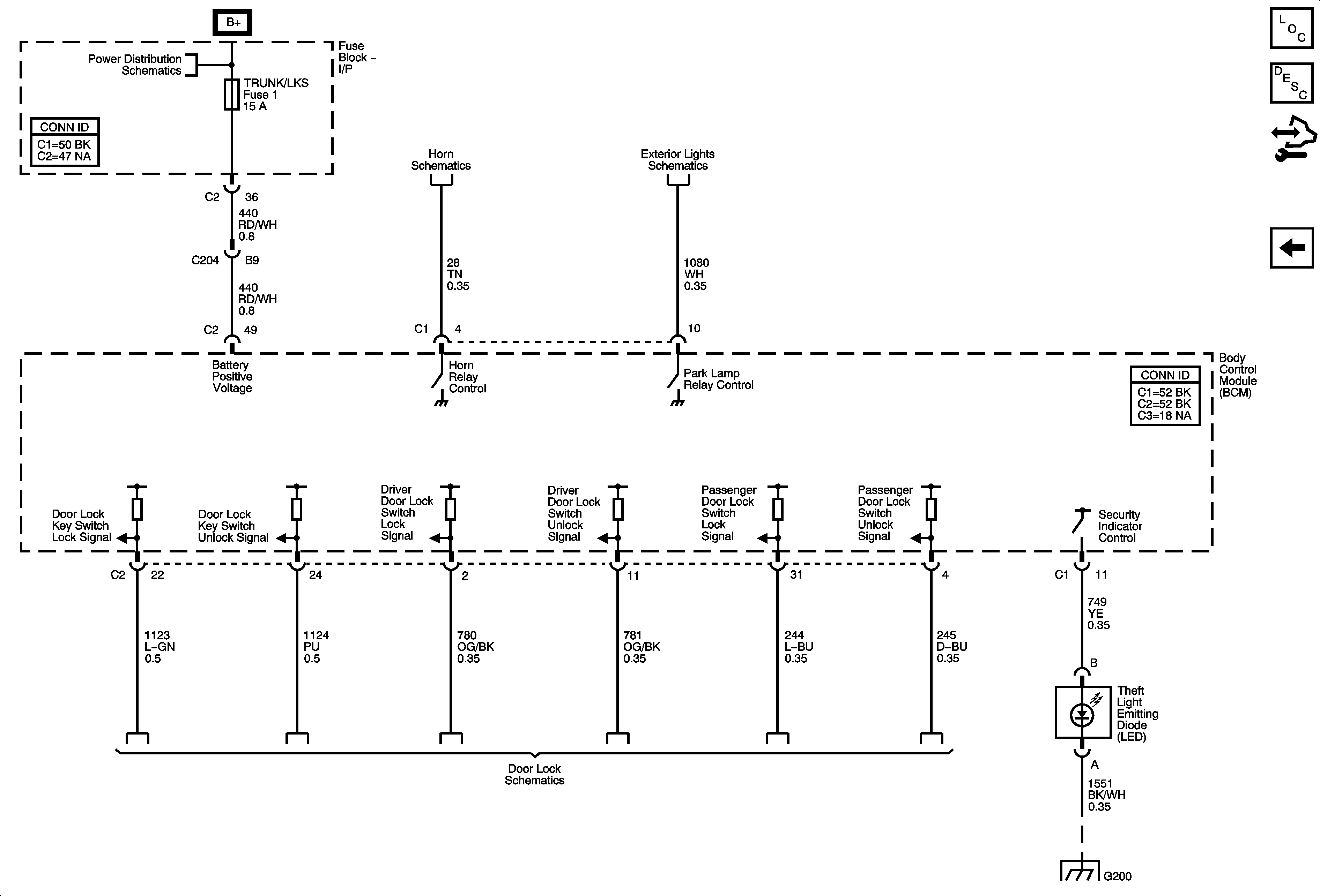
Content Theft Deterrent (CTD) Description and Operation
Control Module References
Ajar Switches
BATT MAIN 3, ELC, and TRUNK/LKS Fuses
Horn Schematics
Park, Marker, and License Lamps
Switches
G200 - 2 of 2