GM Service Manual Online
For 1990-2009 cars only
Makes
🢒
Saturn
🢒
2007
🢒
SKY
🢒
Diagnostic Navigation
🢒
Vehicle Diagnostic Information
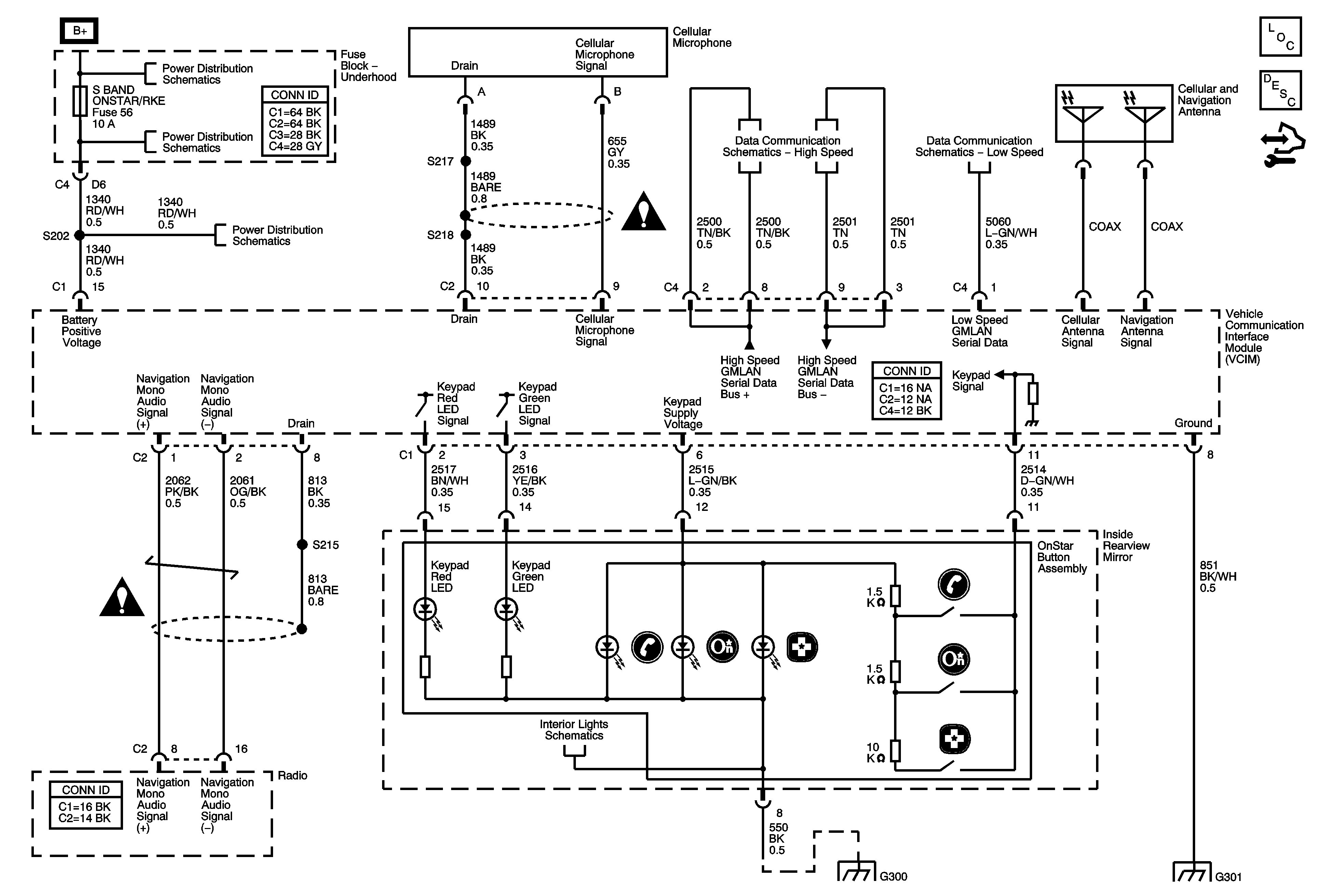
🢒 OnStar Schematics
Master Electrical Component List
Control Module References
B+ Bus - 2 of 2
B+ Bus - 2 of 2
High Speed LAN
Low Speed LAN
Fuse Block-Underhood ABS, MIR, and S BAND ONSTAR/RKE Fuses
Entertainment/Communication Schematic Icons
Interior Lights Schematics
G300 - 1 of 2
G301, G302, G303, G400 and G402