GM Service Manual Online
For 1990-2009 cars only
Makes
🢒
Saturn
🢒
2007
🢒
SKY
🢒 Data Link, Ground, Indicator, Power, and Sensors
Data Link, Ground, Indicator, Power, and Sensors
Data Link, Ground, Indicator, Power, and Sensors
Master Electrical Component List
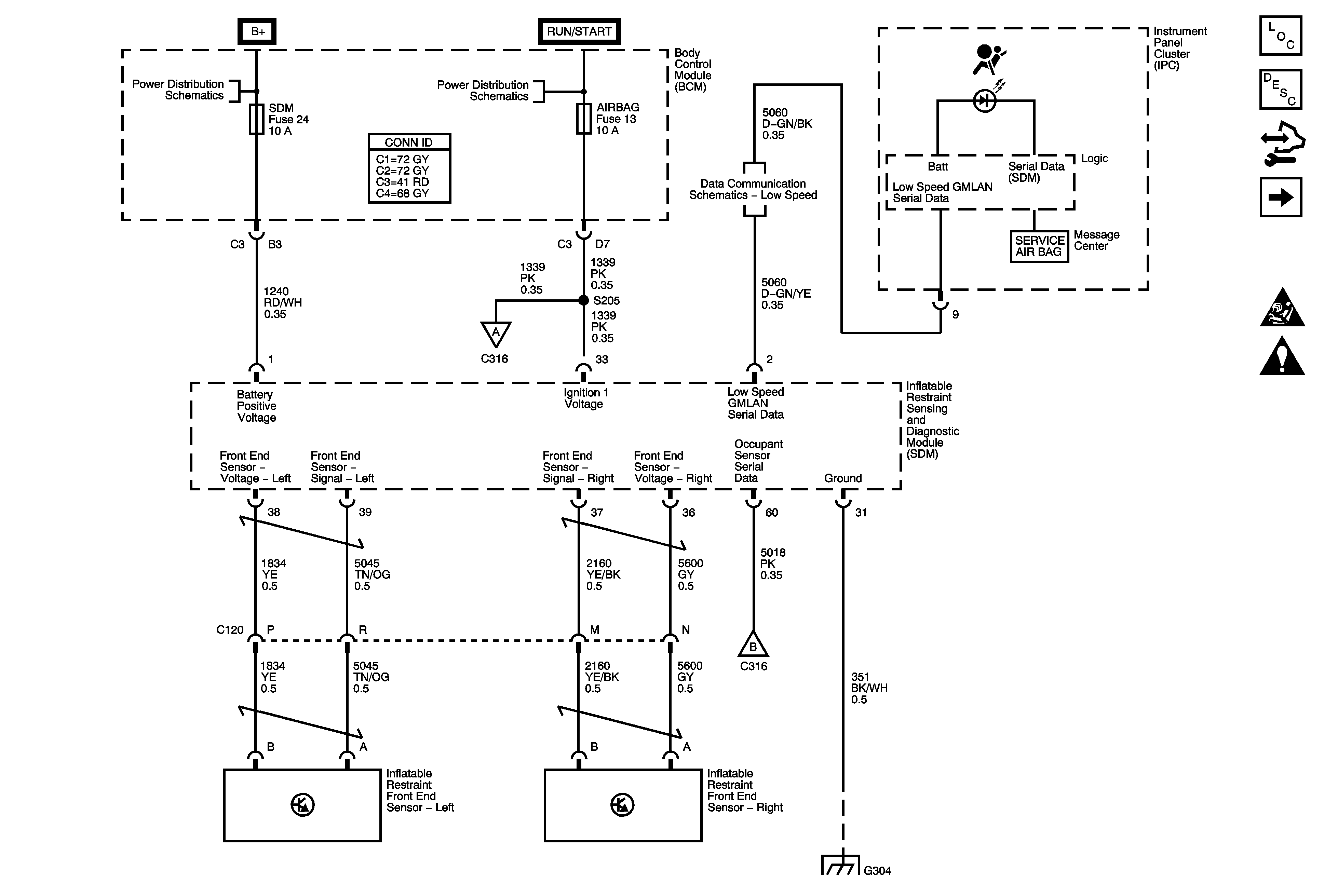
SIR System Description and Operation
Control Module References
Deployment Loops
SIR Schematic Icons
SIR Schematic Icons
Fuse Block - Underhood BCM Fuse, BCM Fuses: ECM/TCM, DR LCK, INT LIGHT, PWR WNDW, RDO, SDM, BCM Relays: DOOR LOCK, DOOR UNLOCK, DR DOOR UNLOCK, INADVERTENT LOAD CONTROL, RAP
Fuse Block-Underhood ABS, BCK/UP LAMP, CAN VENT, ECM/TRANS, I/P IGN, OUTLET Fuses, RUN/CRNK Relay, and BCM Fuses: AIRBAG, EPS/STR WHL CNTRL, HVAC/IP IGN, WPR
Low Speed LAN
Passenger Presence System (PPS)
Passenger Presence System (PPS)
G103, G104, G105, G106 and G304