GM Service Manual Online
For 1990-2009 cars only
Makes
🢒
Saturn
🢒
2007
🢒
SKY
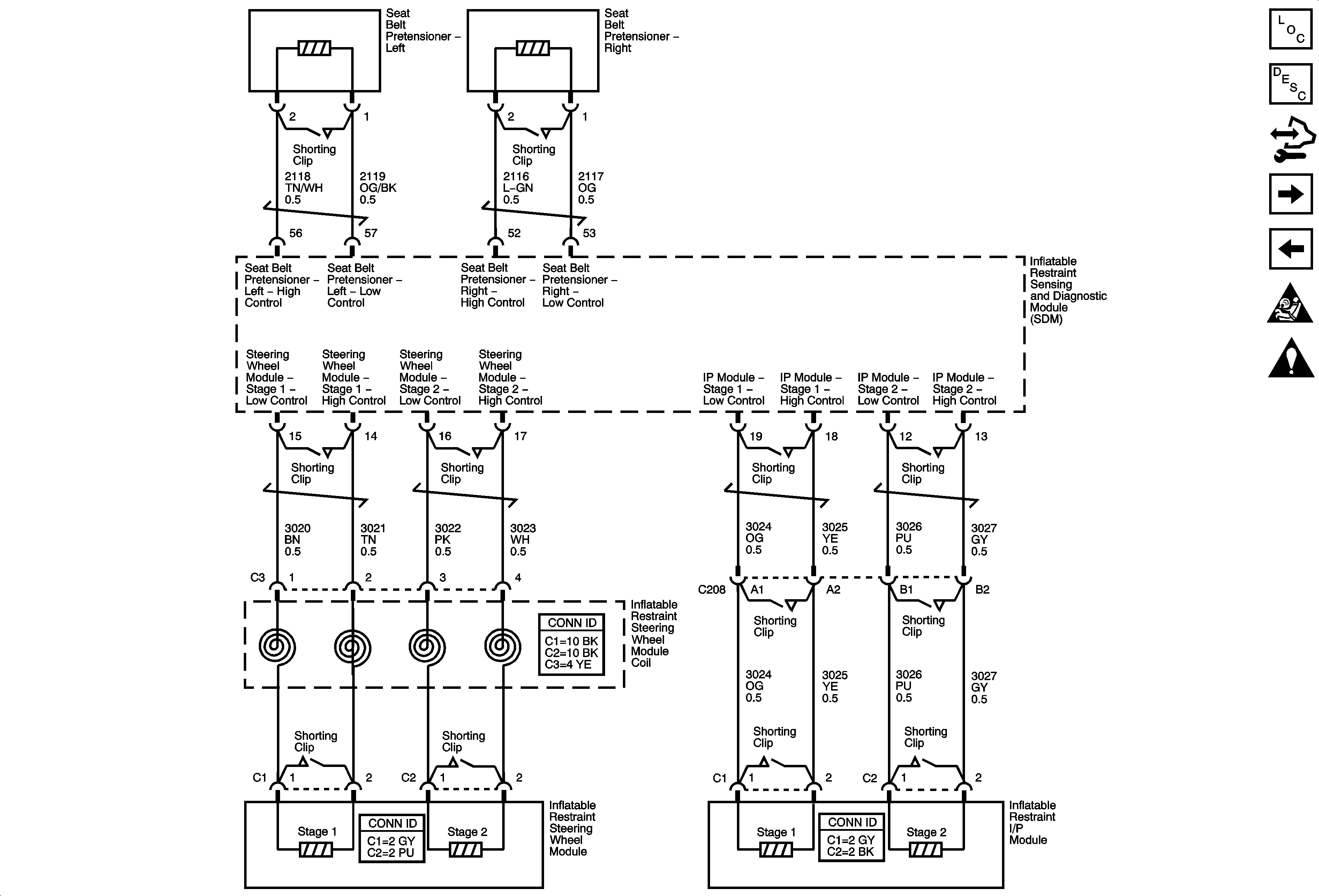
🢒 Deployment Loops
Deployment Loops
Deployment Loops
Master Electrical Component List
SIR System Description and Operation
Control Module References
Passenger Presence System (PPS)
Data Link, Ground, Indicator, Power, and Sensors
SIR Schematic Icons
SIR Schematic Icons