GM Service Manual Online
For 1990-2009 cars only

Valve Stem Oil Seal and Valve Spring Replacement SOHC

    • SA9102E-A Valve Seal Remover/Replacer
    • SA9124E Valve Spring Compressor/Remover
    • SA9127E Gage Bar Set

Removal Procedure


    Object Number: 877503  Size: SH
  1. Remove the spark plugs, rocker cover and rocker arm assemblies. Refer to Cylinder Head Disassemble .
  2. Install the SA9124E angle supports. Use the four M8 x 25 mm bolts provided and mount the supports to the end rocker arm shaft threaded holes with each support flange toward the center of the cylinder head.
  3. Tighten
    Tighten the bolts 14 N·m (10 lb ft).


    Object Number: 872359  Size: SH
  4. While sliding the rod through the supports, install the compressor lever arm assembly.
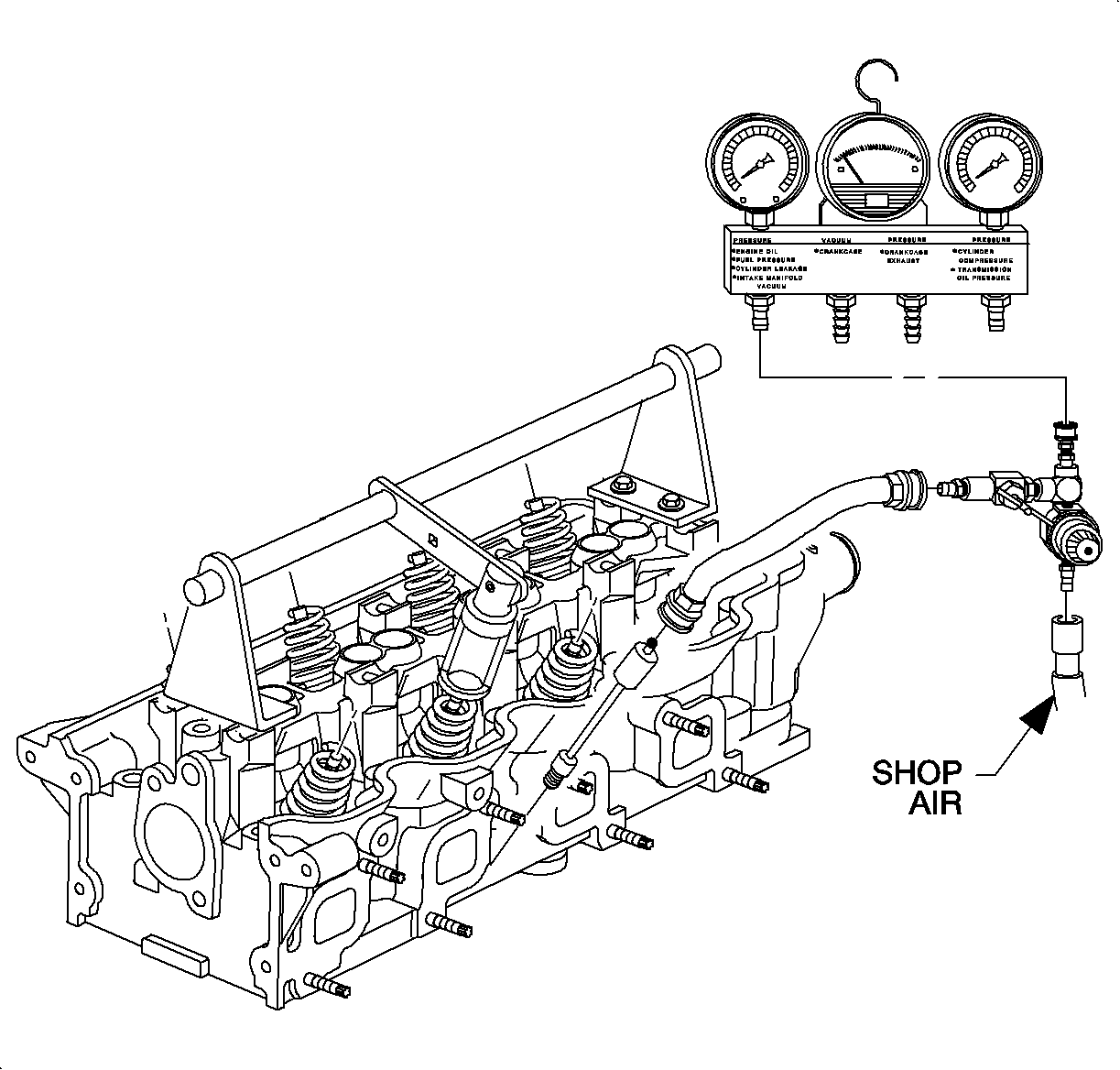
  5. Install the spark plug adapter from the SA9127E in the respective cylinder.
  6. Locate the piston at TDC and pressurize the cylinder to 690 kPa (100 psi).

  7. Object Number: 872363  Size: SH

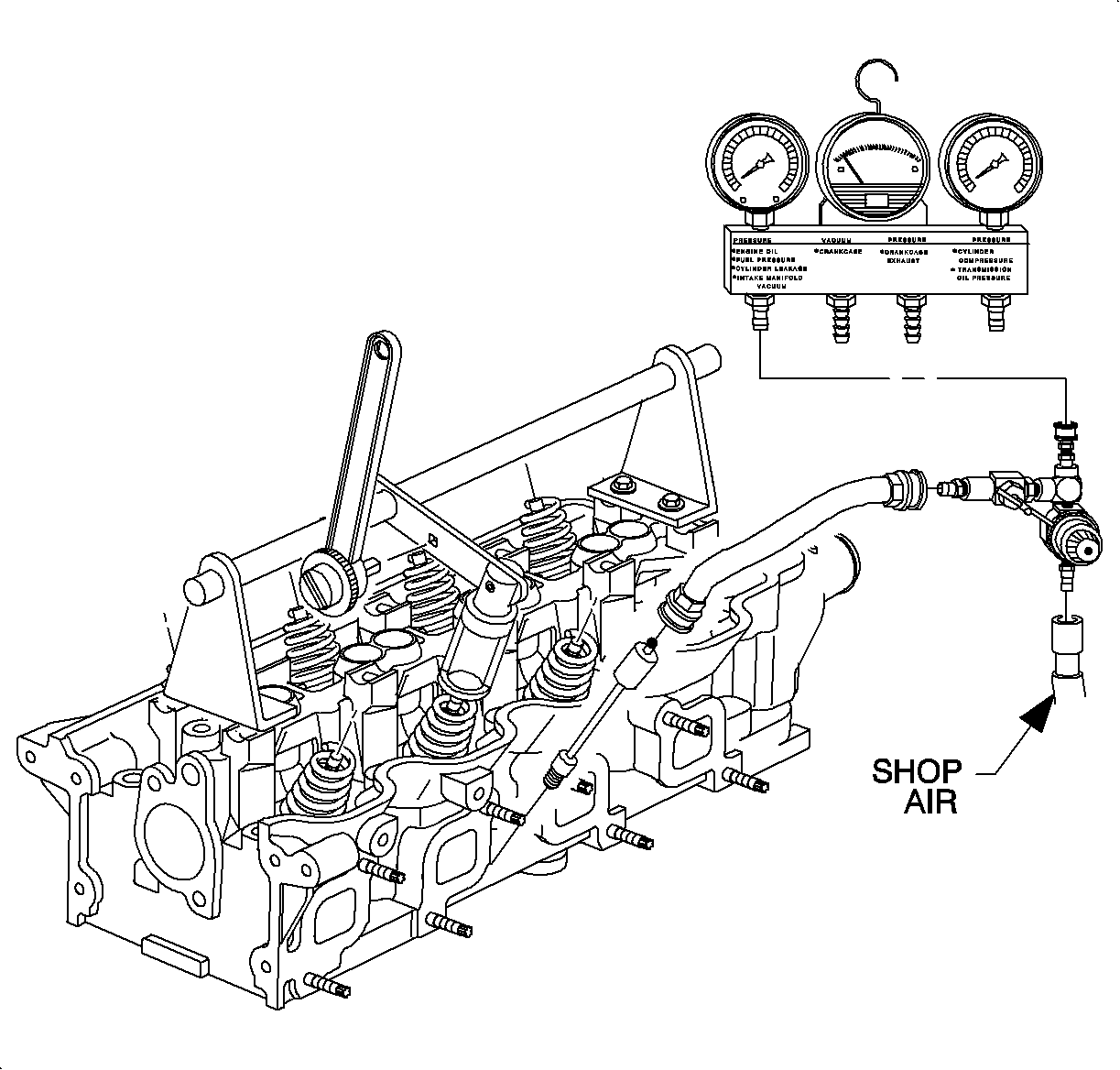
    Important: Tap the end of the compressor lever with a plastic mallet while applying a slight amount of pressure to the breaker bar.

  8. Position the lever assembly over the valve spring to be removed and use a 1/2 in breaker bar to compress the spring.
  9. Remove the valve spring cap retainers and release the spring tension.

  10. Object Number: 872365  Size: SH
  11. Remove the cap and spring.
  12. Remove the valve stem seal using the SA9102E-A .

Installation Procedure


    Object Number: 872623  Size: SH

    Important: Before each valve stem seal is installed, lubricate the valve stem with clean engine oil and guide. If a valve stem seal is removed, it must be discarded.

  1. Inspect the valve stem for scratches, scores and scuffs. Spray the valve stem and guides with clean lubricating oil to remove any debris that may be present on the valve stem and on top of the guide.
  2. Notice: If a valve seal is removed after it has been installed, it must be discarded. The valve stem lock groove will cut the seal's lip during removal. Use extreme care when installing valve retainers and do not damage the valve stems.

  3. Oil the valve guide and valve stem with clean engine oil. Install valve stem oil seal with the SA9102E-A .
  4. Install the valve spring and cap.
  5. Notice: Use extreme care when installing valve spring retainers and do not scratch the valve stem.

  6. Compress the valve spring and install the retainers.
  7. Remove the SA9124E and spark plug adapter.
  8. Refer to Cylinder Head Assemble for installation of rocker arm assemblies, rocker cover, spark plugs and wires.

Valve Stem Oil Seal and Valve Spring Replacement DOHC

Tools Required

    • SA9102E-A Valve Seal Remover/Replacer
    • SA9124E-10 Valve Spring Compressor Brackets
    • SA9127E Gage Bar Set

Removal Procedure


    Object Number: 872366  Size: SH
  1. Remove spark plugs, cam cover and camshaft. Refer to Camshaft Replacement .
  2. Install the SA9124E-10 angle supports. Use the four M6 x 25 mm bolts provided and mount the supports to the inside cam bearing cap threaded holes, with the notched side of the supports toward the spark plug holes.
  3. Tighten
    Tighten the bolts 10 N·m (89 lbs in).


    Object Number: 872371  Size: SH
  4. While sliding rod through supports, install the compressor lever arm assembly.
  5. Install spark plug adapter from the SA9127E in the respective cylinder.
  6. Notice: The engine must have the No. 1 cylinder piston at top dead center (TDC) when removing and installing camshafts or the timing chain, gears and chain guides will be damaged when air pressure is put into the cylinder to hold the valves closed.

  7. With the piston at TDC, pressurize each cylinder to 690 kPa (100 psi).
  8. Important: Tap end of compressor lever with a plastic mallet while applying a slight amount of pressure to the breaker bar.

  9. Position lever assembly over valve spring to be removed and use 1/2 in. breaker bar to compress the spring.
  10. Remove valve spring cap, retainers and release spring tension.

  11. Object Number: 870652  Size: SH
  12. Remove cap and spring.
  13. Remove valve stem seal using the SA9102E-A .

Installation Procedure


    Object Number: 872623  Size: SH

    Important: Before each valve stem seal is installed, oil the valve stem seal and guide. If a valve stem seal is removed, it must be discarded.

  1. Inspect valve stem for scratches, scores, and scuffs. Spray the valve stem and guide with clean lubricating oil to remove any debris that may be present on the valve stem or top of guide.
  2. Notice: If a valve seal is removed after it has been installed, it must be discarded. The valve stem lock groove will cut the seal's lip during removal. Use extreme care when installing valve retainers and do not damage the valve stems.

  3. Oil valve guide and valve stem. Install valve stem oil seal with the SA9102E-A .

  4. Object Number: 872394  Size: SH
  5. Install valve spring and cap.
  6. Compress valve spring and install retainers.
  7. Install hydraulic Lash adjusters in their correct locations.
  8. Remove SA9124E-10 assembly and spark plug adapter.
  9. Refer to Camshaft Replacement for installation of camshafts, cam cover, spark plugs and wires.