GM Service Manual Online
For 1990-2009 cars only
Makes
🢒
Saturn
🢒
2008
🢒
VUE - AWD
🢒
Diagnostic Navigation
🢒
Vehicle Diagnostic Information
🢒 Hydraulic Brake Schematics
Figure
1:
Brake Warning System
Master Electrical Component List
Brake Warning System Description and Operation
Control Module References
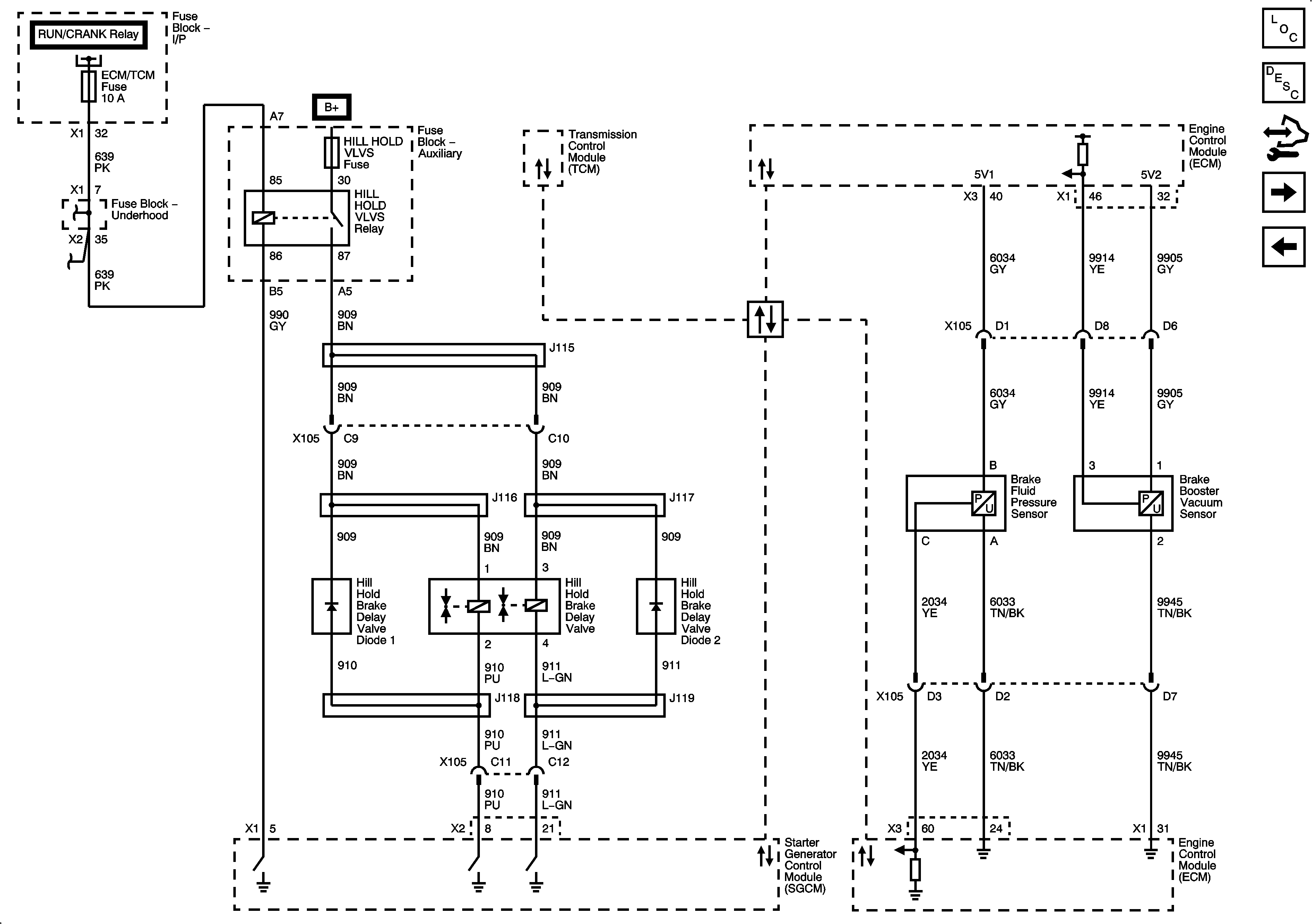
Hill Hold Valve (HP7)
Figure
2:
Hill Hold Valve (HP7)
Master Electrical Component List
Control Module References
Brake Pressure and Vacuum Sensors (HP7)
Hydraulic Brake System Schematics